trinityamps.com

Trinity Amps Guitar Amp Forum
It is currently Tue Dec 02, 2025 11:11 am

All times are UTC - 5 hours [ DST ]




Post new topic Reply to topic  [ 10 posts ] 
Author Message
 Post subject: Low Voltages - new Ideas
PostPosted: Mon May 16, 2016 7:51 am 
Offline

Joined: Mon Dec 28, 2015 4:11 pm
Posts: 5
Hi

I have just finished my TC15 build and have spent some time tracking down a few problems I have but with no success yet. The amp works and plays with hardly any hum or hiss but there are low voltages that for the life of me I can't track down. Its very loud. The distortion on Ch1 is brittle and the general amp sound is muggy (esp. Bass which is in general flabby and when pushed it sounds more like a synthesiser than a guitar on the bass E notes). I'm keen to sort this out -as you can imagine- and Stephen has been helpful. But I am now pulling my hair out...

I'm not an electronics engineer so I'm essentially following the coloured schematic and pondering over the circuit diagram.

My main issues are:

1, pin 3 & 6 of V4 are 25V (should be 47V). When I probe the tag board with the meter grounded to the chassis at the take off for these pins, there is a pop in the speaker and a cut of all sound to the speaker (the hiss dies).

2. I also have low voltage on V1 pin1: 64v and pin6: 101V

3. I have for V5 and V6 Pin 7: 375V and for Pin9: 259V

B+ is 381V and all other pins on the tubes are in spec. voltage wise.
The other voltages probe points on the schematic are all about right.

What I have done so far
I checked all the components and board wiring and I can't see the error (but there is one!)
I changed the caps in the circuit to V4
I checked all the valve wiring and this is correct.
I have retouched all joints to eliminate dry joints.
I rebuilt the Contour switch (!) with some new caps
I tested all the resistors and all are within spec at 5%
I switched tubes (several times across the array)
I rewired V2, V3 and V4
I rewired the control Pots
Took all main board jumpers off the board that I had put underneath and put them into the top of the board to be sure (nightmare job once the build is complete)

Then I drank beer and pulled hair out like a madman at 02:00AM this morning as still no change - after essentially rebuilding the bugger and making all my nice work look messy inside with all the fart arsing about.

Few pics attached and maybe you might spot something or have an idea of the problem with another pair of eyes...

Thanks for your help
Craig


Attachments:
image1.JPG
image1.JPG [ 1.12 MiB | Viewed 15714 times ]
image2.JPG
image2.JPG [ 943.67 KiB | Viewed 15714 times ]
image3.JPG
image3.JPG [ 942.06 KiB | Viewed 15714 times ]
image4.JPG
image4.JPG [ 908.19 KiB | Viewed 15714 times ]
image5.JPG
image5.JPG [ 889.82 KiB | Viewed 15714 times ]
image6.JPG
image6.JPG [ 804.12 KiB | Viewed 15714 times ]
image7.JPG
image7.JPG [ 923.83 KiB | Viewed 15714 times ]
image8.JPG
image8.JPG [ 792.67 KiB | Viewed 15714 times ]
image9.JPG
image9.JPG [ 661.47 KiB | Viewed 15714 times ]
image10.JPG
image10.JPG [ 661.47 KiB | Viewed 15714 times ]
image11.JPG
image11.JPG [ 746.58 KiB | Viewed 15714 times ]
image12.JPG
image12.JPG [ 755.7 KiB | Viewed 15714 times ]
Top
 Profile  
 
PostPosted: Mon May 16, 2016 8:43 pm 
Offline
Expert
Expert

Joined: Sat Dec 04, 2010 3:42 pm
Posts: 519
Location: Qualicum Beach, BC
Sorry if you read this post earlier, I was referring to an older version of the schematic. I have edited the post to refer to the updated schematic.

1, pin 3 & 6 of V4 are 25V (should be 47V). When I probe the tag board with the meter grounded to the chassis at the take off for these pins, there is a pop in the speaker and a cut of all sound to the speaker (the hiss dies).

There's no tube in the amp where pin 3 and pin 6 should read the same voltage, especially a good 12AX7!
Pins 3 and 8 on V4 should read the same, around 69 volts according to the schematic.
Pins 2 and 7 should read around 47 volts according to the schematic.
What do pins 1 and 6 read?

2. I also have low voltage on V1 pin1: 64v and pin6: 101V

Check your wiring around R42 and the paths from there to V1.

3. I have for V5 and V6 Pin 7: 375V and for Pin9: 259V

These voltages are about right with your B+.

381 volts for B+ is a bit high but within tolerance. Once the problems at V1 and V4 are fixed it should go down a bit.

Check all your wiring again very carefully. You are right, there's probably a mistake somewhere!


Top
 Profile  
 
PostPosted: Sun May 22, 2016 5:22 pm 
Offline

Joined: Mon Dec 28, 2015 4:11 pm
Posts: 5
Hi

thanks for the reply and indeed you are right about pins on V4 (was tired).

Spent the evening checking. desoldering and soldering...again - I'll be dammed if I can find the error!

for V4 I have 33V on P2 and P7
P1 is 212 and P6 is 202V
I have 90V on P2 and P8

For V1 all the wiring looks good. I remade all the 22K 2W resistors and led new wires on top of the board to be sure they are correct.
Still no change with V1 pin1: 64v and pin6: 101V

I'll keep at it - after a rest!

All the best and thanks for the help


Top
 Profile  
 
PostPosted: Sun May 22, 2016 8:18 pm 
Offline
Expert
Expert

Joined: Sat Dec 04, 2010 3:42 pm
Posts: 519
Location: Qualicum Beach, BC
The tube voltage chart in the older manual says Pin 6 of the EF86 tube should read 90 volts and pin 1 should read 56 volts.

It also says the phase inverter (V4 on the new schematic) should have 190 volts on pin 1 and 231 volts on pin 6.

The circuits are the same on both schematics. There is a lot of variation with tubes. The voltages on the schematics are just ballpark figures.

Everything should be fine if all the parts are in the right places, all the wiring checks out, all the connections are good, there are no stray wire strands or solder blobs shorting things together, the tube sockets have good contacts and the tubes are good.

If all the build is good and there are still problems, it's usually bad tubes. It can also be bad input cables, speaker cables and sometimes bad wiring in the guitar.

How does it sound now?


Top
 Profile  
 
PostPosted: Mon May 23, 2016 5:22 pm 
Offline

Joined: Mon Dec 28, 2015 4:11 pm
Posts: 5
Hi:
the amp plays with low hiss and hum (great). Cleans are all fine on both channels. When pushed the headroom is limited and in general amp sound is "muggy" esp. Bass which is in general flabby and very poorly defined - and when pushed it sounds more like a synthesiser than a guitar on the bass E notes. I'd like to get a much tighter bass and more touch sensitivity than I have - everything fizzez too early for me!

I have been messing about with various different and new tubes in different positions for V2 with some success (AT7, AH7 AU7 - latter was not effective anywhere. The voltages on V4 change a lot and I can get 34V with the AH7 in place - but a standard GT AX7 gives me a steady 25V on P2 and P7 (I tried several with the same result.

So all works but it lacks the tightness and punch on the low registers.
all the best
Craig


Top
 Profile  
 
PostPosted: Mon May 23, 2016 11:24 pm 
Offline
Expert
Expert

Joined: Sat Dec 04, 2010 3:42 pm
Posts: 519
Location: Qualicum Beach, BC
How is the heater voltage? Did you try different EL84's? I assume the problems you described are on both channels.

With known good tubes installed (12AX7's for V2, V3 and V4) please post the voltage readings again for all the pins on all the tubes. Also the readings at both positive terminals of C13 and the positive terminals of C15, C16, C17, C18 and C40.

Note that the heater pins and all pins on the rectifier, except pin 8, will be AC voltages.


Top
 Profile  
 
PostPosted: Tue May 31, 2016 5:02 pm 
Offline

Joined: Mon Dec 28, 2015 4:11 pm
Posts: 5
Hi There:

Thanks for the help. I checked the heater supply 6.1VAC on all tubes.
Tried different EL84s -> same result as below

I have installed a couple of AH7’s to tame the beast on Ch2 which has a nice effect and the amp plays well upto 12:00 on volumes (much above and I get into fizzy noise). The amp seems to work but its annoying knowing its not right inside. Ho hum.

Voltage readings on tubes:

V1
P1: 63
P2: 0
P3: 2.0
P6: 105
P7: 0
P8: 2.0

V2 (AH7)
P1: 132
P2: 0
P3: 1.3
P6: 133
P7: 0
P8: 1.3

V3 (AX7)
P1: 170
P2: 0
P3: 1.4
P6: 282
P7: 171
P8: 178

V4 (AH7)
P1: 221
P2: 33
P3: 94
P6: 211
P7: 33
P8: 94

V5
P2: 0
P3: 8.7
P7: 370
P9: 257

V6
P2: 0
P3: 8.7
P7: 366
P9: 257

C13+ 377 (B+ at PSU side)
C13+ 375 (at board side)

C15: 258
C16: 327
C17: 352
C18: 382
C40: 350

All the best and comments welcome!

Regards
Craig


Top
 Profile  
 
PostPosted: Wed Jun 01, 2016 2:57 am 
Offline

Joined: Mon Dec 28, 2015 4:11 pm
Posts: 5
:bugeye: actually I meant AY7's not AH7's in the V2 and PI...
Loosing the plot !


Top
 Profile  
 
PostPosted: Thu Jun 02, 2016 10:59 pm 
Offline
Holy Ghost
Holy Ghost
User avatar

Joined: Sun Mar 13, 2005 4:10 pm
Posts: 7519
Location: Canada
i need to go over this a see what I can deduce. Need some time to review. the voltages

_________________
Stephen
Web: www.trinityamps.com. Facebook: facebook.com/trinityamps. Twitter: @trinityamps


Top
 Profile  
 
PostPosted: Mon Jun 20, 2016 9:45 am 
Offline
Holy Ghost
Holy Ghost
User avatar

Joined: Sun Mar 13, 2005 4:10 pm
Posts: 7519
Location: Canada
I would like to see voltages with AX7, but with AY7, it's not that bad and should sound reasonable.
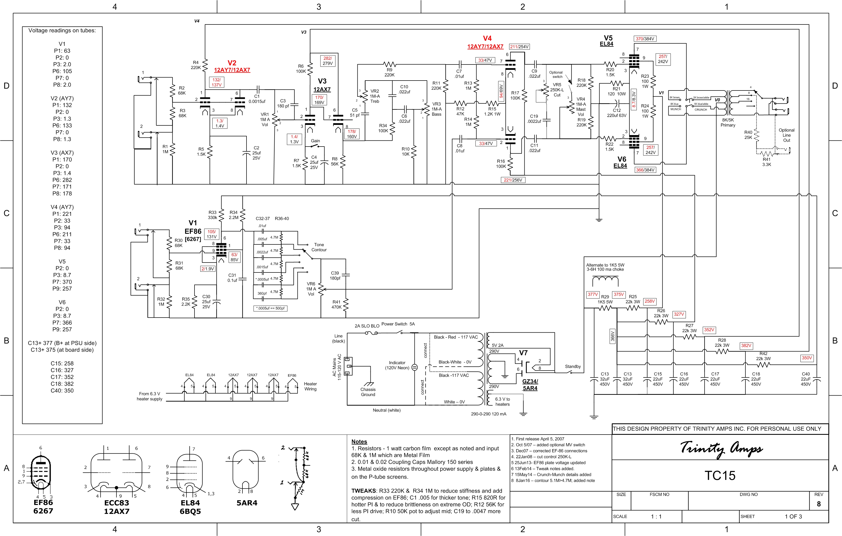
Most of the voltages look pretty good on the schematic I marked up for you. With the exception of the PI.

Are you running it on Munch or Crunch?
Is the boost switch ON or OFF?
Do both channels behave the same? i.e. Bass is in general flabby and very poorly defined?

If you put AX7 in the PI and the voltages drop to half on the grids there is something not right in that area so I would resolder and check/measure all the resistors around the PI.

Also, the power tube cathode bypass is 220 uf and you might just want to go to 22 or 25 to tighten it up.

Attachment:
Donlon_TC15_AY7.jpg
Donlon_TC15_AY7.jpg [ 1.39 MiB | Viewed 15564 times ]

_________________
Stephen
Web: www.trinityamps.com. Facebook: facebook.com/trinityamps. Twitter: @trinityamps


Top
 Profile  
 
Display posts from previous:  Sort by  
Post new topic Reply to topic  [ 10 posts ] 

All times are UTC - 5 hours [ DST ]


Who is online

Users browsing this forum: No registered users and 30 guests


You cannot post new topics in this forum
You cannot reply to topics in this forum
You cannot edit your posts in this forum
You cannot delete your posts in this forum
You cannot post attachments in this forum

Search for:
Jump to:  
cron
Powered by phpBB® Forum Software © phpBB Group