trinityamps.com

Trinity Amps Guitar Amp Forum
It is currently Tue Jan 20, 2026 9:51 am

All times are UTC - 5 hours [ DST ]




Post new topic Reply to topic  [ 21 posts ]  Go to page 1, 2  Next
Author Message
 Post subject: "New" Triwatt Build Help
PostPosted: Wed Dec 07, 2011 11:38 pm 
Offline
Friend
Friend

Joined: Sat Dec 12, 2009 9:28 pm
Posts: 15
Location: CT
Started this build two years ago, but due to travel and life the amp has just been finished up recently. Initially the checks on the amp where good, however once I fired it up and started playing it... obviously there's a problem.

When switched to standby, everything is good (tubes glow, no fuses pop). Switch to ON, w/ or w/o a guitar plugged in the amp hums quite a bit. With a guitar hooked up the notes are very distorted almost sounds like an oscillation. (This is all on channels no overdrive.

Below are my tube readings, I see there is a problem with the PI section. However I checked everything and it looks/measures fine. I'll post pics and a clip later. Thanks.


Attachments:
Screen Shot 2011-12-07 at 10.37.35 PM.png
Screen Shot 2011-12-07 at 10.37.35 PM.png [ 27.44 KiB | Viewed 33183 times ]
Top
 Profile  
 
PostPosted: Mon Dec 12, 2011 3:23 am 
Offline
Friend
Friend

Joined: Sat Dec 12, 2009 9:28 pm
Posts: 15
Location: CT
No suggestions or help?


Top
 Profile  
 
PostPosted: Mon Dec 12, 2011 10:19 am 
Offline
Holy Ghost
Holy Ghost
User avatar

Joined: Sun Mar 13, 2005 4:10 pm
Posts: 7519
Location: Canada
I would think the PI would be OK, the voltages follow the correct pattern and are closeenough allowing for different tubes.
With hum, you have to go back and check the grouding and cable dress and look at the coax closely to make sure there is no shorts or stray pieces of wire.

_________________
Stephen
Web: www.trinityamps.com. Facebook: facebook.com/trinityamps. Twitter: @trinityamps


Top
 Profile  
 
PostPosted: Wed Dec 14, 2011 2:35 am 
Offline
Friend
Friend

Joined: Sat Dec 12, 2009 9:28 pm
Posts: 15
Location: CT
coco wrote:
I would think the PI would be OK, the voltages follow the correct pattern and are close enough allowing for different tubes.
With hum, you have to go back and check the grounding and cable dress and look at the coax closely to make sure there is no shorts or stray pieces of wire.


I'm assuming the 340VDC at Pin 9 of V4 is a typo on the sheet... Well I looked closer at my inputs, and I was missing the jumper on the LINK jack (attached). Which quieted down the amp, but it still hums some. The real problem is the very distorting/ringing when playing any notes on the guitar. Also a question about those coax signal wires, when it was convenient for me I used a twisted pair. I would still ground the shield per the schematic. Example in picture attached, is a 2 conductor cable used to connect the signal (+) from the BRILL and NORM jack to V1. Is carry more than 1 signal within the cable fine?


Attachments:
Untitled.png
Untitled.png [ 127.57 KiB | Viewed 33127 times ]
Untitled1.png
Untitled1.png [ 1.27 MiB | Viewed 33127 times ]
Untitled2.png
Untitled2.png [ 1.53 MiB | Viewed 33127 times ]
Top
 Profile  
 
PostPosted: Wed Dec 14, 2011 10:23 pm 
Offline
Holy Ghost
Holy Ghost
User avatar

Joined: Sun Mar 13, 2005 4:10 pm
Posts: 7519
Location: Canada
I would think the twisted coax would be fine and your work looks good. Can only say that the desgin, layout works so you might want to check the latest docs since it's been a while.

Where did you get the parts and board from?

And the note "340VDC at Pin 9 of V4 " comes from where??

_________________
Stephen
Web: www.trinityamps.com. Facebook: facebook.com/trinityamps. Twitter: @trinityamps


Top
 Profile  
 
PostPosted: Sat Dec 17, 2011 9:16 pm 
Offline
Friend
Friend

Joined: Sat Dec 12, 2009 9:28 pm
Posts: 15
Location: CT
coco wrote:
I would think the twisted coax would be fine and your work looks good. Can only say that the design, layout works so you might want to check the latest docs since it's been a while.

Where did you get the parts and board from?

And the note "340VDC at Pin 9 of V4 " comes from where??


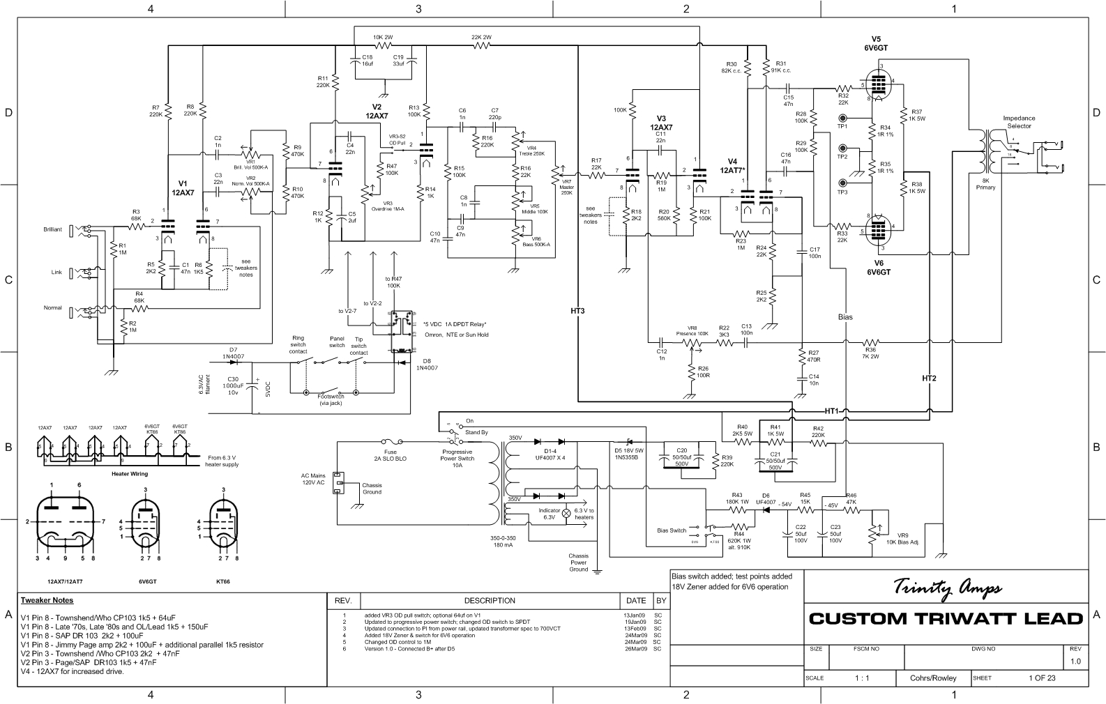
I've used the documents posted on the forum to build the amp. I purchased the transformers from you guys and the rest I sourced myself.

340VDC comes from a document also on the forum (6V6 Voltages). Also here is a sound clip of the amp, it still hums moderately and notes are very distorted.

http://youtu.be/mbMvjBKSIF0


Attachments:
TRIWATT_v1_layout.jpg
TRIWATT_v1_layout.jpg [ 604.69 KiB | Viewed 33092 times ]
TRIWATT_v1_schematic.jpg
TRIWATT_v1_schematic.jpg [ 459.88 KiB | Viewed 33092 times ]
Top
 Profile  
 
PostPosted: Sun Dec 25, 2011 11:18 pm 
Offline
Friend
Friend

Joined: Thu Mar 11, 2010 5:52 pm
Posts: 33
Location: Kansas City, MO
Can you give us some pictures of your board and wiring? Hum can be caused by lots of things...We need to be able to see what you're working with.

Also, people will help you on here, you just have to give it time. :)

_________________
--Bryan


Top
 Profile  
 
PostPosted: Mon Dec 26, 2011 1:21 am 
Offline
Friend
Friend

Joined: Sat Dec 12, 2009 9:28 pm
Posts: 15
Location: CT
ztevin wrote:
Can you give us some pictures of your board and wiring? Hum can be caused by lots of things...We need to be able to see what you're working with.

Also, people will help you on here, you just have to give it time. :)


Here it is :D

Image

Image

Image

Image

Image

Image

Image

Image

Image

Image

Image


Top
 Profile  
 
PostPosted: Mon Dec 26, 2011 8:59 pm 
Offline
Expert
Expert
User avatar

Joined: Sun May 20, 2007 1:45 pm
Posts: 1254
Location: YYZ
I see some pretty long signal wires travelling along the board. Those either need to be made to run right against the metal of the chassis or be shielded. There's a lot of gain available in this amp, and there's absolutely no room for any compromises with the layout. I didn't quite understand what you're saying about using twisted wire, but running two different signals within a single shielded wire will give you crosstalk between them.

_________________
Great tones come in small glass jars!


Top
 Profile  
 
PostPosted: Thu Jan 26, 2012 12:32 am 
Offline
Friend
Friend

Joined: Sat Dec 12, 2009 9:28 pm
Posts: 15
Location: CT
zaphod wrote:
I see some pretty long signal wires travelling along the board. Those either need to be made to run right against the metal of the chassis or be shielded. There's a lot of gain available in this amp, and there's absolutely no room for any compromises with the layout. I didn't quite understand what you're saying about using twisted wire, but running two different signals within a single shielded wire will give you crosstalk between them.


All the previous shielded cables were replaced to be single conductor/signal cables. In addition, I replaced most of the wiring on the input/tone control end. With only the three remaining signals untouched, left as seen (three RED arrows). I'm still getting humming and distorted played notes.

Image

On the other side of the board, what do you recommend I tackle first, i.e. to switch to shielded conductors? Thanks.

Image

Image


Top
 Profile  
 
PostPosted: Tue Jan 31, 2012 7:17 pm 
Offline
Holy Ghost
Holy Ghost
User avatar

Joined: Sun Mar 13, 2005 4:10 pm
Posts: 7519
Location: Canada
Move the wires around V3,4 and see if that helps. Esp. on the grids. This is quite sensitive.
Have you seen the large size picture of a Triwatt Build?

_________________
Stephen
Web: www.trinityamps.com. Facebook: facebook.com/trinityamps. Twitter: @trinityamps


Top
 Profile  
 
PostPosted: Fri Feb 10, 2012 11:58 pm 
Offline
Friend
Friend

Joined: Sat Dec 12, 2009 9:28 pm
Posts: 15
Location: CT
coco wrote:
Move the wires around V3,4 and see if that helps. Esp. on the grids. This is quite sensitive.
Have you seen the large size picture of a Triwatt Build?


What large size picture?


Top
 Profile  
 
PostPosted: Sat Feb 11, 2012 11:25 am 
Offline
Holy Ghost
Holy Ghost
User avatar

Joined: Sun Mar 13, 2005 4:10 pm
Posts: 7519
Location: Canada
This one - http://www.trinityamps.com/ForumGallery ... _board.jpg

_________________
Stephen
Web: www.trinityamps.com. Facebook: facebook.com/trinityamps. Twitter: @trinityamps


Top
 Profile  
 
PostPosted: Fri Feb 24, 2012 1:09 am 
Offline
Friend
Friend

Joined: Sat Dec 12, 2009 9:28 pm
Posts: 15
Location: CT
coco wrote:


Thanks.

I tried moving around the grid wires on V3/V4, unsuccessfully. Pin 2 on V3 is short, Pin 7 on V3 is shielded wire. Pin 2 on V4 is short, Pin 7 on V4 is shielded wire. I noticed something interesting when playing music through the inputs. When the amp is ON, lots of hissing and distorted music. As soon as I switch the amp OFF and leaving the music playing through the input, the output (music) clears up beautifully. It's much quieter, but it sound "normal" when I switch the amp from ON to OFF.

Here is a sound clip:
http://youtu.be/0Q2MZXAFV1E


Top
 Profile  
 
PostPosted: Tue Mar 20, 2012 10:34 pm 
Offline
Friend
Friend

Joined: Sat Dec 12, 2009 9:28 pm
Posts: 15
Location: CT
Image

Turns out C22 and C23 were connected in reverse and not grounded... so only connected to R46, R45, D6, R28 and R29. I'm surprised it even worked before.


Top
 Profile  
 
PostPosted: Sat Dec 01, 2012 1:39 am 
Offline
Friend
Friend

Joined: Sat Dec 12, 2009 9:28 pm
Posts: 15
Location: CT
So something is still not right, it doesn't seem there is much gain... i.e. when connected to a 12" speaker and the volumes maxed out, it's still fairly quiet.

So I rechecked my voltages, V4 is way off. Sort of fixed an issue with the bias only going up to 11 mA. I unplugged the 910K resistor from the switch. HT2 is 418 VDC and HT3 is 406 VDC. I wonder if C22 and C23 were damaged? They look fine.

Image


Top
 Profile  
 
PostPosted: Tue Dec 04, 2012 11:17 am 
Offline
Holy Ghost
Holy Ghost
User avatar

Joined: Sun Mar 13, 2005 4:10 pm
Posts: 7519
Location: Canada
Looks like the caps (incredibly) survived. But the PI is way off. Check cathode path to ground, and voltage ahead of the plate resisitors. There's something way wrong there.

_________________
Stephen
Web: www.trinityamps.com. Facebook: facebook.com/trinityamps. Twitter: @trinityamps


Top
 Profile  
 
PostPosted: Tue Dec 04, 2012 2:33 pm 
Offline
Friend
Friend

Joined: Sat Dec 12, 2009 9:28 pm
Posts: 15
Location: CT
Thanks Stephen, I figured out part of the problem. The shielded cable I was using on V4 for the plates/grids (pins 1, 6 & 7), was grounding out. I temporarily cut the shielding and the voltages came back more in line...

Image

So I'll fix those and report back.


Top
 Profile  
 
PostPosted: Tue Dec 04, 2012 3:46 pm 
Offline
Holy Ghost
Holy Ghost
User avatar

Joined: Sun Mar 13, 2005 4:10 pm
Posts: 7519
Location: Canada
bmwpowere36m3 wrote:
Thanks Stephen, I figured out part of the problem. The shielded cable I was using on V4 for the plates/grids (pins 1, 6 & 7), was grounding out. I temporarily cut the shielding and the voltages came back more in line... So I'll fix those and report back.



Looking better. that should do it. Shielded wire to plates should not be required. I would advise you use basic solid core for that.

_________________
Stephen
Web: www.trinityamps.com. Facebook: facebook.com/trinityamps. Twitter: @trinityamps


Top
 Profile  
 
PostPosted: Tue Dec 11, 2012 11:23 pm 
Offline
Friend
Friend

Joined: Sat Dec 12, 2009 9:28 pm
Posts: 15
Location: CT
FIXED! Awesome... sounds amazing. Thanks for all the help, it has been a longgg road :D


Top
 Profile  
 
Display posts from previous:  Sort by  
Post new topic Reply to topic  [ 21 posts ]  Go to page 1, 2  Next

All times are UTC - 5 hours [ DST ]


Who is online

Users browsing this forum: No registered users and 16 guests


You cannot post new topics in this forum
You cannot reply to topics in this forum
You cannot edit your posts in this forum
You cannot delete your posts in this forum
You cannot post attachments in this forum

Search for:
Jump to:  
Powered by phpBB® Forum Software © phpBB Group