trinityamps.com

Trinity Amps Guitar Amp Forum
It is currently Tue Jan 20, 2026 6:35 am

All times are UTC - 5 hours [ DST ]




Post new topic Reply to topic  [ 32 posts ]  Go to page 1, 2  Next
Author Message
PostPosted: Wed Jul 21, 2021 9:43 pm 
Offline
Friend
Friend

Joined: Tue Jun 29, 2021 7:52 pm
Posts: 19
I have everything wired and soldered up and connected to a 4 ohm 212 cabinet. I get right around 700V at the PT secondaries on the turret board, the pilot light comes on fine, and the tubes light up/get warm. But I'm not getting any output through the speakers at all - no amp noise or volume of any kind. Totally silent. The fuse is good and has not blown, and I'm using 6V6 power tubes.

Where should I go from here with troubleshooting? I've checked every connection both in accuracy and with a meter to ensure continuity and cannot find the issue. All of the jumper wire connections on the bottom of the turret board are showing continuity.

Photos here: https://imgur.com/a/Z610J8R

This is my first amp build, so I apologize for the messiness, and I'm pretty unfamiliar with the highly technical stuff so please bear with me.

Thanks.


Last edited by thelaundryman on Wed Jul 21, 2021 11:04 pm, edited 2 times in total.

Top
 Profile  
 
PostPosted: Wed Jul 21, 2021 10:09 pm 
Offline
Friend
Friend

Joined: Tue Jun 29, 2021 7:52 pm
Posts: 19
(accidental reply, ignore)


Top
 Profile  
 
PostPosted: Wed Jul 21, 2021 11:40 pm 
Offline
Friend
Friend

Joined: Sat Dec 19, 2020 12:25 pm
Posts: 47
Just answered your post on my YT channel. I’ll be tied up over the next day or so, but check my suggestions there and I’ll try to check in tomorrow night.


Top
 Profile  
 
PostPosted: Wed Jul 21, 2021 11:45 pm 
Offline
Friend
Friend

Joined: Sat Dec 19, 2020 12:25 pm
Posts: 47
I can’t tell from the pics, do you have the jumper from pin 3 to pin 8 on v4? It doesn’t look like it to me.


Top
 Profile  
 
PostPosted: Wed Jul 21, 2021 11:53 pm 
Offline
Friend
Friend

Joined: Sat Dec 19, 2020 12:25 pm
Posts: 47
After you double check the wiring and layout power it up without the tubes in. Check the voltages at the plate pins of all the sockets and that you have bias voltage at the grids of the output tubes.


Top
 Profile  
 
PostPosted: Thu Jul 22, 2021 12:17 am 
Offline
Friend
Friend

Joined: Tue Jun 29, 2021 7:52 pm
Posts: 19
Jag_Jones wrote:
I can’t tell from the pics, do you have the jumper from pin 3 to pin 8 on v4? It doesn’t look like it to me.


Wow you noticed that quick! Yep, turns out I missed that. When I first saw it on the layout plans I thought it was an arrow from one of the bubbled numbers pointing. I just soldered that up and will measure the pin voltages.

This is another dumb question but, does it matter with speaker output I use? I couldn't find anything in the manual and both say Speakers. Is one specifically for an extension cab or something, or can I just plug the cab into either? I'm using the 212 4-ohm speakers from an old Peavey combo amp to test it with.

Thanks again.


Top
 Profile  
 
PostPosted: Thu Jul 22, 2021 12:51 am 
Offline
Friend
Friend

Joined: Tue Jun 29, 2021 7:52 pm
Posts: 19
Jag_Jones wrote:
After you double check the wiring and layout power it up without the tubes in. Check the voltages at the plate pins of all the sockets and that you have bias voltage at the grids of the output tubes.


I just did a quick plate pin measurement, and I'm not sure what I'm doing wrong but the my numbers are no where near what the manual says they should be. I'm getting between 2.8V and at most 6V. So either my wiring is totally off and I'm realizing it, or I'm going about the actual measuring technique with a meter of these all wrong. Does it make sense to be reading measurements this slow if tubes do get warm and filaments glow when plugged in?

Do I set my meter to V-DC, place the black/ground meter clip the chassis, and then apply the red meter lead to each pin for their voltages?

If any of this doesn't make any sense please let me know. I'm very new to this, I've built a few pedals but this is my first time undertaking an amp.

Thanks again.


Top
 Profile  
 
PostPosted: Thu Jul 22, 2021 9:40 am 
Offline
Holy Ghost
Holy Ghost
User avatar

Joined: Sun Mar 13, 2005 4:10 pm
Posts: 7519
Location: Canada
No sound

This technique assumes that the voltages at all the tubes are within spec.
Confirm the speaker cable is OK.
Confirm the impedance switch is wired correctly.
Plug-in a guitar cable and measure the resistance from the tip of the guitar cable to the grid input of the first tube. It should be 68K in the low position and 33K in the high position. If it is not, confirm the input switches are wired correctly.
Confirm that the coax cable core from input jack to grid is not shorting to the shield ie input shorted to ground.
Using the schematic diagram and lay out diagram, trace the signal path from the first tube on through to the power tubes and make sure it is wired correctly. Do continuity checks on the wire from component to component.
If that all checks out then turn the amp on, turn the volume & master volume up a bit . Can you hear hum or hiss in the speaker? Does it change with volume settings? Do the Treble and Bass controls affect the tone?
Plug in a guitar cable and touch the tip of the guitar cable with your thumb and see if you can hear a hum.
If you can’t hear a hum then take a small screwdriver or use your multi-meter probes and very carefully touch the input grids to the power tube. This must be after the phase inverter coupling caps or you will have high-voltage on your screwdriver so be very careful! The safest way to do this is to locate where that wire connects on the circuit board and touch it at that location rather than on the tube itself. You should hear a pop or a click when you do that and that indicates that that part of the amplifier is reproducing sound.
If you hear a pop at the power tube section then move to the input grids to the phase inverter and repeat the same test. Work your way back towards the first preamp tube until you find a location where touching the input grid of the tube does not produce a pop or a hum. This is most likely the area where there’s a problem of a cold solder joint or a broken wire or something else.

Generally, it is a good practice to Confirm that any coax cable core is not shorting to the shield ie input shorted to ground. This can happen during the build process if you apply too much heat and it melts the core insulator.

MORE REFERENCE
The power tube pins 3 (plate) and 4 (screen) should have high voltage DC and pin 5 (grid) should pop when probed with the meter. For fixed bias amps the grid should show a negative voltage but cathode biased amps will indicate near 0 volts on the grid. Pin 8 (cathode) will show 0 volts in fixed bias amps or show voltage between 10 to 25 volts DC in cathode biased amps. Nine pin power tubes like the EL84 have different pin functions so Google their data sheet to see their pin functions. With all the volumes turned up you should always hear a pop when probing the grid of any tube in the signal chain. Tubes that run the reverb or tremolo may not pop when probed.
If you get no grid pop then you have a problem somewhere between that tube and the last tube that popped. The first thing to try is to replace the tube. Next measure the voltage at every pin of the troubled tube's socket for clues to the problem.
Higher than normal voltage on the plates can be caused by no electron flow through the tube. This can be caused by no heater voltage or a disconnect between the tube cathode, the cathode resistor (if used) and ground. High voltage on the plates can also be caused by a higher value cathode resistor like using a 15k resistor instead of the specified 1.5k.
Lower than normal voltage on the plates is caused by too much current flow through the tube. This can be caused by an incorrect bias voltage on the grid. A leaking coupling cap can let DC voltage through to the grid and heat up the bias current. A lower value cathode resistor can also allow too much current to flow through a tube.
Cathode biased power and preamp tubes should show the bias voltage on the tube's cathode pin. If there is voltage on the plate but the cathode is zero this can be caused by a bad cathode resistor connection or no heater voltage. With the amp off measure the resistance from the cathode pin to ground. It should equal the cathode resistor value.
Fixed bias power tubes should show the cathode as connected to ground and show a negative voltage on the grid, usually between -30 to -50 volts DC. An incorrect grid bias voltage can make an amp sound bad.
Unwanted Grid Voltage Most preamp tubes should show no voltage on their grids (12A*7 tubes' pins 2 & 7) except tubes that function as phase inverters or cathode followers where voltage on the grid is normal. If the preamp tube's grid leak resistor is tied directly to ground it should not have any voltage on it. If there is voltage on the grid it's usually caused by a leaky upstream coupling cap (that must be replaced) or grid current. To verify the source of grid voltage you can pull the tube and see if the voltage on the tube socket grid pin goes away. If the grid voltage is still present then it's coming from a leaking capacitor or a wiring mistake. No voltage on the grid pin means the unwanted grid voltage was being generated by grid current. Try another tube and look for incorrect component values or wiring mistakes associated with that tube circuit.
Blown power tube screen resistors are a common cause of weak or nasty sounding output. When a power tube blows it often shorts the tube's plate to the screen which results in a blown screen resistor. A blown screen resistor will normally fail open with infinite resistance. The amp can operate with one power tube but it will sound weak and funky. When you replace the blown tube it will still function poorly because the blown screen resistor will not allow any voltage to the screens so the amp will sound different than with a blown tube but still not sound good due the huge output imbalance between the good tube and the tube with no screen voltage. Verify the screen voltage and the resistance across the screen resistor.
If the first power tube checks out then move to the next tube up the circuit which will be another power tube for push-pull circuits or the driver tube for single ended amps. Make sure all the volumes, gains and master volumes are turned up a little when you check the preamp tubes so you can listen for a pop when probing the preamp tubes' grid.
Again listen for a pop when probing the grid and plate pins and look for voltage anomalies. The pop should get louder as you test each tube up the amplification chain toward the input. Continue moving toward the first preamp tube. If you don't get a pop, or a weaker pop than expected when probing a tube's grid then you have found a problem area. Carefully check the voltages of that tube to find clues to why it's not working.
For 9 pin preamp tubes verify 5.7 to 6.9v AC between the heater pins 4 and 9, and 5 and 9 and verify you have DC voltage on pins 1 and 6 (plates), 3 and 8 (cathodes). You should hear a pop when probing the grids, pins 2 and 7. Nine pin tubes should have 0 volts on their grids unless the triode is being used as a phase inverter, cathode follower or uses grid bias.
If you have unexpected voltage on a tube's grid you may have a leaky coupling capacitor upstream allowing DC voltage through to the grid or a bad tube generating grid current.

_________________
Stephen
Web: www.trinityamps.com. Facebook: facebook.com/trinityamps. Twitter: @trinityamps


Top
 Profile  
 
PostPosted: Thu Jul 22, 2021 11:36 am 
Offline
Friend
Friend

Joined: Sat Dec 19, 2020 12:25 pm
Posts: 47
Very good trouble shooting pointers from Coco. Particularly the click/pop tests.

Yes, for the plates set your meter to DC and use the red probe, black to ground.

It doesn't matter which speaker output you plug into, unless it's wired wrong ;).

2.6-6.0v on the plates is definitely far too low. Just to be sure, that's the range you are getting on pins 1 and 6 of the preamp tubes and pin 3 of the power tubes? I would be checking the wiring for something shorted.The fuse should have blown but it sounds like a short somewhere. It could just be something mis-wired though. You said you have 700 at the PT secondaries so that's good. Check backwards from there to see where you lose the voltage. What are you getting on pin 3 of the output tubes? What about pin 1 and 6 of the phase inverter and the preamp tubes? Again, you can check this with tubes out, the voltages won't match the schematic (without the tubes the voltages should be higher) but you just want to find where it disappears or goes very low. Wherever you lose the voltage, or it goes low, that's where your problem is.

It's not uncommon to have more than one issue on a first build. If you find one issue and fixing it doesn't resolve the issues, or seems to cause another issue, continue trouble shooting from where you fixed the first problem.

Remember, there *should* be very high voltages on the plates, keep your left hand behind your back and use a pointed probe, not clips, to check the voltages. Don't touch anything with your bare hands while poking around in a live amp. Wear rubber soled shoes as well, especially if you are on a concrete floor.


Last edited by Jag_Jones on Thu Jul 22, 2021 11:54 am, edited 1 time in total.

Top
 Profile  
 
PostPosted: Thu Jul 22, 2021 11:49 am 
Offline
Friend
Friend

Joined: Sat Dec 19, 2020 12:25 pm
Posts: 47
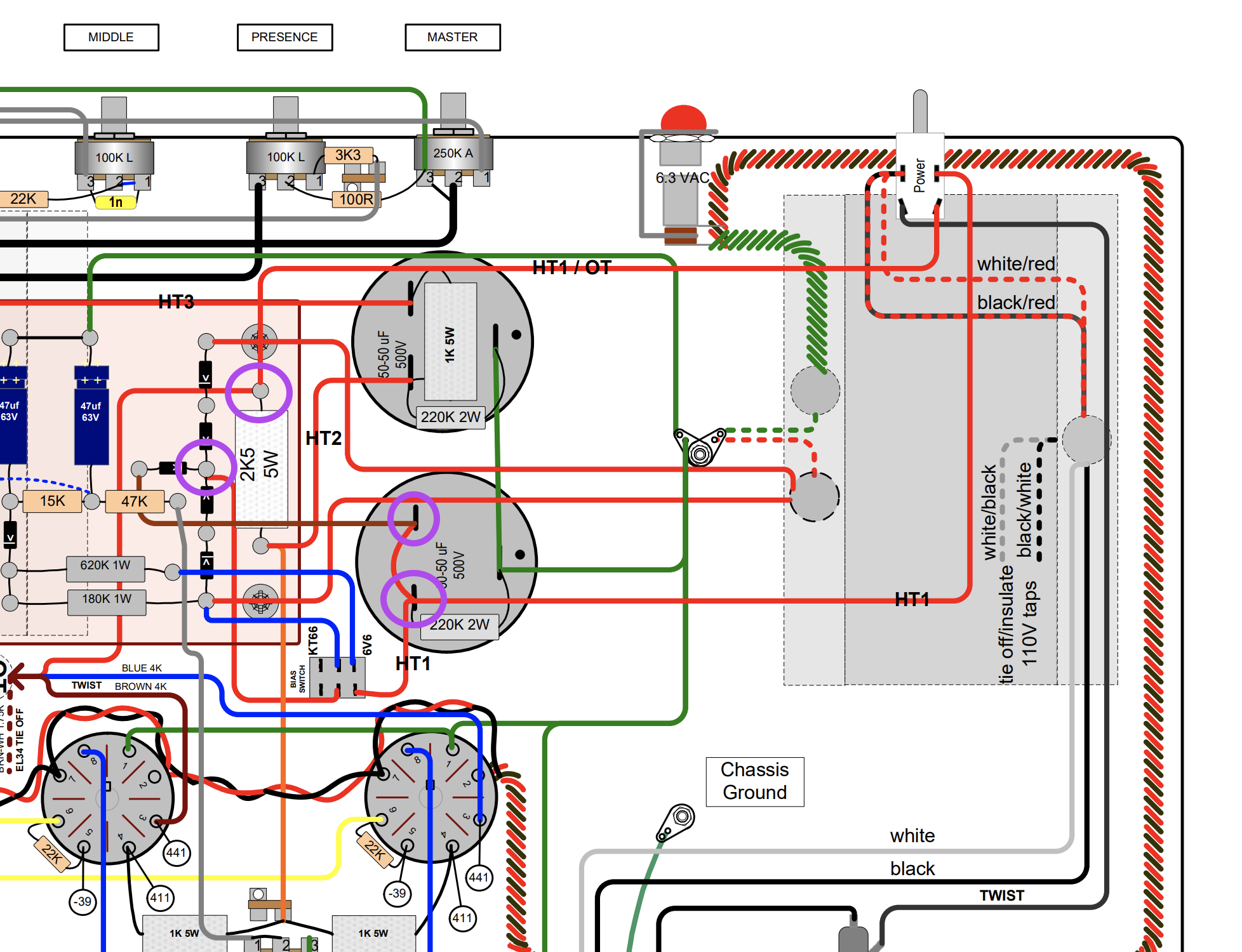
I wonder if your PT had more damage than is obvious from your earlier pics regarding the severed wire. Check the pic I've attached and tell us what AC voltage you are getting at the points I've circled.


Attachments:
File comment: Check the voltages at the two points indicated here!
Screen Shot 2021-07-22 at 9.42.00 AM.png
Screen Shot 2021-07-22 at 9.42.00 AM.png [ 194.23 KiB | Viewed 23141 times ]
Top
 Profile  
 
PostPosted: Thu Jul 22, 2021 3:07 pm 
Offline
Holy Ghost
Holy Ghost
User avatar

Joined: Sun Mar 13, 2005 4:10 pm
Posts: 7519
Location: Canada
Post your DC Voltage chart.

_________________
Stephen
Web: www.trinityamps.com. Facebook: facebook.com/trinityamps. Twitter: @trinityamps


Top
 Profile  
 
PostPosted: Thu Jul 22, 2021 3:07 pm 
Offline
Holy Ghost
Holy Ghost
User avatar

Joined: Sun Mar 13, 2005 4:10 pm
Posts: 7519
Location: Canada
Post your DC Voltage chart.

_________________
Stephen
Web: www.trinityamps.com. Facebook: facebook.com/trinityamps. Twitter: @trinityamps


Top
 Profile  
 
PostPosted: Thu Jul 22, 2021 5:21 pm 
Offline
Friend
Friend

Joined: Tue Jun 29, 2021 7:52 pm
Posts: 19
Jag_Jones wrote:
I wonder if your PT had more damage than is obvious from your earlier pics regarding the severed wire. Check the pic I've attached and tell us what AC voltage you are getting at the points I've circled.


I'm getting between 687-693 volts AC between those points.

coco wrote:
Post your DC Voltage chart.


Preamp Tube Pins (identical readings across all 4)

Pin 1: fluctuates from -6.5mV to +6.5mV
Pin 2: 0
Pin 3: 0
Pin 4: 2.9mV
Pin 5: fluctuates from -6.5mV to +6.5mV
Pin 6: fluctuates from -6.5mV to +6.5mV
Pin 7: 0
Pin 8: 0
Pin 9: 2.9mV

Power Tube Pins (indentical readings across both)

Pin 1: 0
Pin 2: fluctuates from -6.3mV to +6.3mV
Pin 3: 3.1mV
Pin 4: 3.1mV
Pin 5: -1.93V
Pin 6: -1.93V
Pin 7: fluctuates from -6.3mV to +6.3mV
Pin 8: 0

I am also getting no measurement at all at both bias points. Both read 0 mV, 0 mA.

I feel like I wired something fundamentally wrong given how extremely low all of the tube pin measurements are and the bias points not reading at all, but every check I've done looks right. I did find another jumper I missed at the front Overdrive pull switch, and I reflowed some solder joints that looked a little iffy. Other than that I'm getting good continuity between everything and I cannot find the issue. I get full continuity in both the red and black heater wires all the way from from the jewel light jack to the V1 preamp tube.

Thanks again.


Last edited by thelaundryman on Thu Jul 22, 2021 5:32 pm, edited 1 time in total.

Top
 Profile  
 
PostPosted: Thu Jul 22, 2021 5:32 pm 
Offline
Friend
Friend

Joined: Sat Dec 19, 2020 12:25 pm
Posts: 47
You’ve got no voltage to speak of on the plates of any of the tubes. Can you tell me the AC voltage at the points I circled in the pic I posted earlier?


Top
 Profile  
 
PostPosted: Thu Jul 22, 2021 5:32 pm 
Offline
Friend
Friend

Joined: Sat Dec 19, 2020 12:25 pm
Posts: 47
You’ve got no voltage to speak of on the plates of any of the tubes. Can you tell me the AC voltage at the points I circled in the pic I posted earlier?

Sorry, it double posted from my phone.


Top
 Profile  
 
PostPosted: Thu Jul 22, 2021 5:33 pm 
Offline
Friend
Friend

Joined: Tue Jun 29, 2021 7:52 pm
Posts: 19
I'm getting between 687-693 volts AC at those points.


Top
 Profile  
 
PostPosted: Thu Jul 22, 2021 5:57 pm 
Offline
Friend
Friend

Joined: Sat Dec 19, 2020 12:25 pm
Posts: 47
Okay, so the PT seems okay.

What about the DC voltage at the four spots I've circled in this picture?


Attachments:
Screen Shot 2021-07-22 at 3.52.29 PM.png
Screen Shot 2021-07-22 at 3.52.29 PM.png [ 633.92 KiB | Viewed 23126 times ]
Top
 Profile  
 
PostPosted: Thu Jul 22, 2021 6:22 pm 
Offline
Holy Ghost
Holy Ghost
User avatar

Joined: Sun Mar 13, 2005 4:10 pm
Posts: 7519
Location: Canada
Yes. Set to DC. Black probe to chassis, Red to the measured point.
Make sure your meter batteries are good!!

If that is what you are doing, things are way off.

_________________
Stephen
Web: www.trinityamps.com. Facebook: facebook.com/trinityamps. Twitter: @trinityamps


Top
 Profile  
 
PostPosted: Thu Jul 22, 2021 6:31 pm 
Offline
Friend
Friend

Joined: Sat Dec 19, 2020 12:25 pm
Posts: 47
Also, just double checking, you have the black lead clipped to a good ground and are reading the pins with the red probe?

For the heaters, the pin 4/5 pair and pin 9 on the preamp tubes and pins 2 and 7 on the output tubes you do want to measure pin-to-pin. In other words, black probe on 4/5 and red probe on 9 for the preamps and black on pin 2 and red on 7 on the output tubes. Probe polarity actually doesn't matter when measuring the heaters, they are AC. Do make sure to set your meter to AC when measuring those. I doubt they are the problem and you probably don't need to be concerned about them if the tubes are lighting up. Doesn't hurt to double check them though.

It's those non-existent plate voltages that concern me. I think the problem is pretty early in your power supply wiring, nothing is getting to the plates.


Last edited by Jag_Jones on Thu Jul 22, 2021 6:34 pm, edited 1 time in total.

Top
 Profile  
 
PostPosted: Thu Jul 22, 2021 6:32 pm 
Offline
Friend
Friend

Joined: Sat Dec 19, 2020 12:25 pm
Posts: 47
Sorry Coco, cross posts. Nothing is getting to the plates so that really narrows down the trouble shooting.

Very low bias voltage as well. Does the voltage reading on pin 5 of the output tube sockets change if you turn the bias pot?

BTW, you are still testing with the tubes out for now right? If the problem turns out to be speaker or impedance switch wiring, we don't want to risk damaging the output transformer.


Top
 Profile  
 
Display posts from previous:  Sort by  
Post new topic Reply to topic  [ 32 posts ]  Go to page 1, 2  Next

All times are UTC - 5 hours [ DST ]


Who is online

Users browsing this forum: No registered users and 14 guests


You cannot post new topics in this forum
You cannot reply to topics in this forum
You cannot edit your posts in this forum
You cannot delete your posts in this forum
You cannot post attachments in this forum

Search for:
Jump to:  
Powered by phpBB® Forum Software © phpBB Group