trinityamps.com

Trinity Amps Guitar Amp Forum
It is currently Thu Apr 16, 2026 3:58 pm

All times are UTC - 5 hours [ DST ]




Post new topic Reply to topic  [ 27 posts ]  Go to page Previous  1, 2
Author Message
 Post subject: Re: Low Voltages
PostPosted: Tue Aug 16, 2011 11:13 am 
Offline
Novice
Novice
User avatar

Joined: Mon Aug 11, 2008 2:37 pm
Posts: 126
Location: Oblivia (Longmont, CO, US)
Wow.....seriously.....wow!

_________________
************
** b0b0 **
************

- This Space For Rent -


Top
 Profile  
 
 Post subject: Re: Low Voltages
PostPosted: Mon Sep 26, 2011 2:26 am 
Offline
Friend
Friend

Joined: Mon May 11, 2009 5:58 am
Posts: 14
Location: New Zealand
kurtlives wrote:
Can't really see by your pic but try swapping the wires on pins 1 and 6.

The layout in the Resource section is currently wrong. It needs those two pins switched.


Is this still not fixed? I could be off target but it appears to be wrong in the resources and my printed copy - i.e orange wire should go pin 1 and the black wire to pin 6 on V1? Please confirm and update the layout if it is incorrect. Thanks.


Top
 Profile  
 
 Post subject: Re: Low Voltages
PostPosted: Thu Sep 29, 2011 9:15 pm 
Offline
Holy Ghost
Holy Ghost
User avatar

Joined: Sun Mar 13, 2005 4:10 pm
Posts: 7519
Location: Canada
This has actually been fixed for quite a while. But there was another required change with the jumper underneath to the carbon comp resistor being moved as well. You have to do both. The reason forthe change was to reduce one cross wire.

The current layout, posted 25Jun, 2011 is correct.

_________________
Stephen
Web: www.trinityamps.com. Facebook: facebook.com/trinityamps. Twitter: @trinityamps


Top
 Profile  
 
 Post subject: Re: Low Voltages
PostPosted: Thu Sep 29, 2011 9:16 pm 
Offline
Holy Ghost
Holy Ghost
User avatar

Joined: Sun Mar 13, 2005 4:10 pm
Posts: 7519
Location: Canada
Nice job on the leather covering!!

_________________
Stephen
Web: www.trinityamps.com. Facebook: facebook.com/trinityamps. Twitter: @trinityamps


Top
 Profile  
 
 Post subject: Re: Low Voltages
PostPosted: Mon Oct 03, 2011 12:47 am 
Offline
Friend
Friend

Joined: Mon May 11, 2009 5:58 am
Posts: 14
Location: New Zealand
coco wrote:
This has actually been fixed for quite a while. But there was another required change with the jumper underneath to the carbon comp resistor being moved as well. You have to do both. The reason forthe change was to reduce one cross wire.

The current layout, posted 25Jun, 2011 is correct.


Well I'm glad you pointed that out. My layout diagram is obviously older than 25 Jun. Since I have the jumper under the board incorrectly connected (while all other components are true to the updated layout) and it is pretty tough to get to, am I best to switch the wires on V1 from pin 1 to 6 and vice versa? I will end up with the carbon comp 220k 'feeding' the V1a plate but I don't suppose this is any real issue?


Top
 Profile  
 
 Post subject: Re: Low Voltages
PostPosted: Mon Oct 17, 2011 12:32 am 
Offline
Expert
Expert
User avatar

Joined: Sun May 20, 2007 1:45 pm
Posts: 1254
Location: YYZ
The 220k carbin comp resistor needs to be on the anode of the final preamp stage, not the first one. This is to help minimise resistor noise and also to help maximise the nonlinearity effect that carbon comp resistors have, which sweetens the tone of the amp. On the first stage there isn't really enough signal voltage swing to make the effect noticable.

HTH

_________________
Great tones come in small glass jars!


Top
 Profile  
 
 Post subject: Re: Low Voltages
PostPosted: Tue Oct 18, 2011 2:00 am 
Offline
Friend
Friend

Joined: Mon May 11, 2009 5:58 am
Posts: 14
Location: New Zealand
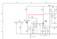
Thanks, that certainly does help. I connected it the 'wrong' way, by switching the wires on V1, but at least my Tramp is up and running now. Will look at making it right this weekend. I'm still confused about matching the schematic to the layout. Should the schematic be as below to match the layout?

Attachment:
Tramp_Schematic_25Mar11_snip_03.jpg
Tramp_Schematic_25Mar11_snip_03.jpg [ 39.53 KiB | Viewed 7917 times ]


Top
 Profile  
 
Display posts from previous:  Sort by  
Post new topic Reply to topic  [ 27 posts ]  Go to page Previous  1, 2

All times are UTC - 5 hours [ DST ]


Who is online

Users browsing this forum: No registered users and 3 guests


You cannot post new topics in this forum
You cannot reply to topics in this forum
You cannot edit your posts in this forum
You cannot delete your posts in this forum
You cannot post attachments in this forum

Search for:
Jump to:  
Powered by phpBB® Forum Software © phpBB Group