trinityamps.com

Trinity Amps Guitar Amp Forum
It is currently Thu Dec 04, 2025 5:09 pm

All times are UTC - 5 hours [ DST ]




Post new topic Reply to topic  [ 22 posts ]  Go to page 1, 2  Next
Author Message
 Post subject: Gain mod?
PostPosted: Thu Jan 23, 2014 4:02 pm 
Offline
Novice
Novice

Joined: Mon Mar 07, 2011 5:34 pm
Posts: 72
Haven't touched the guts of my Tramp since "amp camp" way back when. I would like to get a little more gain in "Tude" mode but I don't want to mess with the character of the tone. Any suggestions would be appreciated.


Top
 Profile  
 
 Post subject: Re: Gain mod?
PostPosted: Fri Jan 24, 2014 1:04 pm 
Offline
Experienced
Experienced
User avatar

Joined: Wed Aug 26, 2009 11:27 pm
Posts: 273
Location: Ontario
Clean boost or mild overdrive pedal would not have to change anything on the amps. There lots around here that use boost and other pedal. Don't know if you have tried that route and have not been happy with it or not?

But if your hell bent on changing the amp

Quick and easy would prolly be lower the value of r8 from where it is now down to about 1.2k (paralelled with the 2k7 ) would be around 830 in tude mode. And maybe swapping the .47 c5 to a .68 . Easy change two components make it very marshal values in tude mode. If you dont like it swap the orginal parts back in. Another easy one you could also change the gain pot to 1 Meg but then you would half to play with the tweed parallel resistor value to about 150 k . And the most complex would be add another tube and you could monkey about with two more stages of gain


Top
 Profile  
 
 Post subject: Re: Gain mod?
PostPosted: Fri Jan 24, 2014 7:29 pm 
Offline
Experienced
Experienced

Joined: Sun Dec 11, 2011 2:00 am
Posts: 188
Location: A Land Downunder
Here's an idea for Stephen, a Tramp Hot Rod add-on kit that provides parts, socket, tube, some wire, resistors, whatever is required and an step by step instruction document/leaflet that kit builders can buy as an extra for their Tramp and new kit buyers can select to add the kit as an option to the base amp kit. I bet a lot of Tramps that have been built for some time would end up with that kit added to them, very much like Billm does with his little add-on kits for the Blues Juniors. A lot of the people that build the amp kits can follow instructions and end up with a great sounding reliable amp but they may have very limited knowledge of electronics and the hand- holding experience of a documented kit add-on could be a win-win for them and Trinity.

Anyway just throwing the idea out there.

Snowy


Top
 Profile  
 
 Post subject: Re: Gain mod?
PostPosted: Sat Jan 25, 2014 11:01 am 
Offline
Novice
Novice

Joined: Mon Mar 07, 2011 5:34 pm
Posts: 72
Thanks for the input.
I do use pedals in front of the amp but it would be nice to have the extra oomphf without colouring the tone. The amp already has the tone. During amp camp it was stated many times that this was a good amp for mods so that's what I'm thinking of trying.
It would be a great thing if Stephen offered a mod kit (all inclusive parts & manual) for the tramp. Perhaps adding another preamp tube to the mix???


Top
 Profile  
 
 Post subject: Re: Gain mod?
PostPosted: Sat Jan 25, 2014 1:17 pm 
Offline
Expert
Expert
User avatar

Joined: Sun Feb 17, 2008 4:47 pm
Posts: 960
Location: Toronto, Canada.
You can add a boost function like I did.

viewtopic.php?f=7&t=2323&p=20765&hilit=tramp+boost+mod#p20765
Scroll down about halfway to see a pic and explanation.

_________________
http://pdfelectronics.com


Top
 Profile  
 
 Post subject: Re: Gain mod?
PostPosted: Sun Jan 26, 2014 12:29 am 
Offline
Holy Ghost
Holy Ghost
User avatar

Joined: Sun Mar 13, 2005 4:10 pm
Posts: 7519
Location: Canada
Yeah, try that PAB ( pre amp boost) mod and let mr know if it's enough.

_________________
Stephen
Web: www.trinityamps.com. Facebook: facebook.com/trinityamps. Twitter: @trinityamps


Top
 Profile  
 
 Post subject: Re: Gain mod?
PostPosted: Sun Jan 26, 2014 12:30 am 
Offline
Holy Ghost
Holy Ghost
User avatar

Joined: Sun Mar 13, 2005 4:10 pm
Posts: 7519
Location: Canada
No457 Snowy wrote:
Here's an idea for Stephen, a Tramp Hot Rod add-on kit that provides parts, socket, tube, some wire, resistors, whatever is required and an step by step instruction document/leaflet that kit builders can buy as an extra for their Tramp and new kit buyers can select to add the kit as an option to the base amp kit. I bet a lot of Tramps that have been built for some time would end up with that kit added to them, very much like Billm does with his little add-on kits for the Blues Juniors. A lot of the people that build the amp kits can follow instructions and end up with a great sounding reliable amp but they may have very limited knowledge of electronics and the hand- holding experience of a documented kit add-on could be a win-win for them and Trinity.

Anyway just throwing the idea out there.

Snowy


ThanksSnowy. will look into such thing.

_________________
Stephen
Web: www.trinityamps.com. Facebook: facebook.com/trinityamps. Twitter: @trinityamps


Top
 Profile  
 
 Post subject: Re: Gain mod?
PostPosted: Sun Jan 14, 2018 9:59 pm 
Offline
User avatar

Joined: Fri Nov 24, 2017 8:53 pm
Posts: 9
My Tramp is a little bit short of power when played at full with my band. I think it could benefits from a second amp tube in the extra novel socket and be played at a medium-high overall volume while leaving room for some power if needed when
things start to rock&roll. What would be the best suggestions or is there any Trinity Tramp add-on kits or schematics available ?


Top
 Profile  
 
 Post subject: Re: Gain mod?
PostPosted: Mon Jan 15, 2018 5:04 pm 
Offline
Friend
Friend

Joined: Sun Feb 06, 2011 9:01 pm
Posts: 10
D'JayPee - Have you tried a 6L6 or kt66 ? This helps with a volume boost as it doubles the amps wattage. Also, try putting in a more efficient speaker, something over 100 db should help if you have not already. With these 2 mods you can get a boost in volume if that is what you are seeking. I would start here before making changes to the amp.


Top
 Profile  
 
 Post subject: Re: Gain mod?
PostPosted: Fri Jan 19, 2018 9:09 am 
Offline
Holy Ghost
Holy Ghost
User avatar

Joined: Sun Mar 13, 2005 4:10 pm
Posts: 7519
Location: Canada
woodsyowl wrote:
D'JayPee - Have you tried a 6L6 or kt66 ? This helps with a volume boost as it doubles the amps wattage. Also, try putting in a more efficient speaker, something over 100 db should help if you have not already. With these 2 mods you can get a boost in volume if that is what you are seeking. I would start here before making changes to the amp.


Agree 100% :thumbsup:

_________________
Stephen
Web: www.trinityamps.com. Facebook: facebook.com/trinityamps. Twitter: @trinityamps


Top
 Profile  
 
 Post subject: Re: Gain mod?
PostPosted: Thu Apr 05, 2018 8:42 pm 
Offline
User avatar

Joined: Fri Nov 24, 2017 8:53 pm
Posts: 9
Thanks woodsyowl. Actually my Tramp is running a 6L6, an adjustable PAB with 1K pot and is pushing a Celestion Alnico 10 gold. Nice combo.
A Mad Professor HW/Little Green Wonder in front for extra clean boost. May the band is too loud, so I got it miked with a E609...this amp can really take a lot of boost. Fantastic amp. I've been running it for about 90 to 100 hours here and there, gigs and practice, and the lamps are now beginning to squeal little bit. Is this normal Doc?

I'm thinking to add a treble switch with a 2,2nF between lugs 3 and 2... anyone who did it?


Top
 Profile  
 
 Post subject: Re: Gain mod?
PostPosted: Thu Apr 05, 2018 9:59 pm 
Offline
Holy Ghost
Holy Ghost
User avatar

Joined: Sun Mar 13, 2005 4:10 pm
Posts: 7519
Location: Canada
Do you want a bright switch, is that what you want to do with the 2,2 nf
Are the tubes going microphonic? Squealing. All you can do is repalce one and see if it goes away. Life inside a combo is hard on tubes.

_________________
Stephen
Web: www.trinityamps.com. Facebook: facebook.com/trinityamps. Twitter: @trinityamps


Top
 Profile  
 
PostPosted: Sat Apr 07, 2018 11:54 am 
Offline
User avatar

Joined: Fri Nov 24, 2017 8:53 pm
Posts: 9
Didn't the former Tramp had a Treble boost/cut ?
Bright switch, yes please, for low volume playing... An idea from kurtlives. There are so many bright switch spdt combination that are using different values like a 47pF and 250pF and now 2,2nF I can get easily lost.

Can someone guide me tru this simple mod ?

You are right Coco about life inside a combo if amp is abused like mine... I just got a pair of Groove Tubes 6L6 , they come as duets ;( with a larger base then JJ Tube and no more sqealing


Top
 Profile  
 
 Post subject: Treble boost for Tramp
PostPosted: Thu Apr 12, 2018 11:56 am 
Offline
User avatar

Joined: Fri Nov 24, 2017 8:53 pm
Posts: 9
The treble setting on my Tramp could benefit from a bit more spark in tweed mode. Mostly at low volume but also at high volume, in a lesser way.
There are so many bright switch spdt combinations that are using different values like a 47pF and 250pF and now 2,2nF I can get easily lost.

Can someone guide me tru this simple mod ? Installing a push-pull treble pot switch instead of a SPDT would give a cleaner look.


Top
 Profile  
 
 Post subject: Re: Gain mod?
PostPosted: Thu Apr 12, 2018 1:42 pm 
Offline
Holy Ghost
Holy Ghost
User avatar

Joined: Sun Mar 13, 2005 4:10 pm
Posts: 7519
Location: Canada
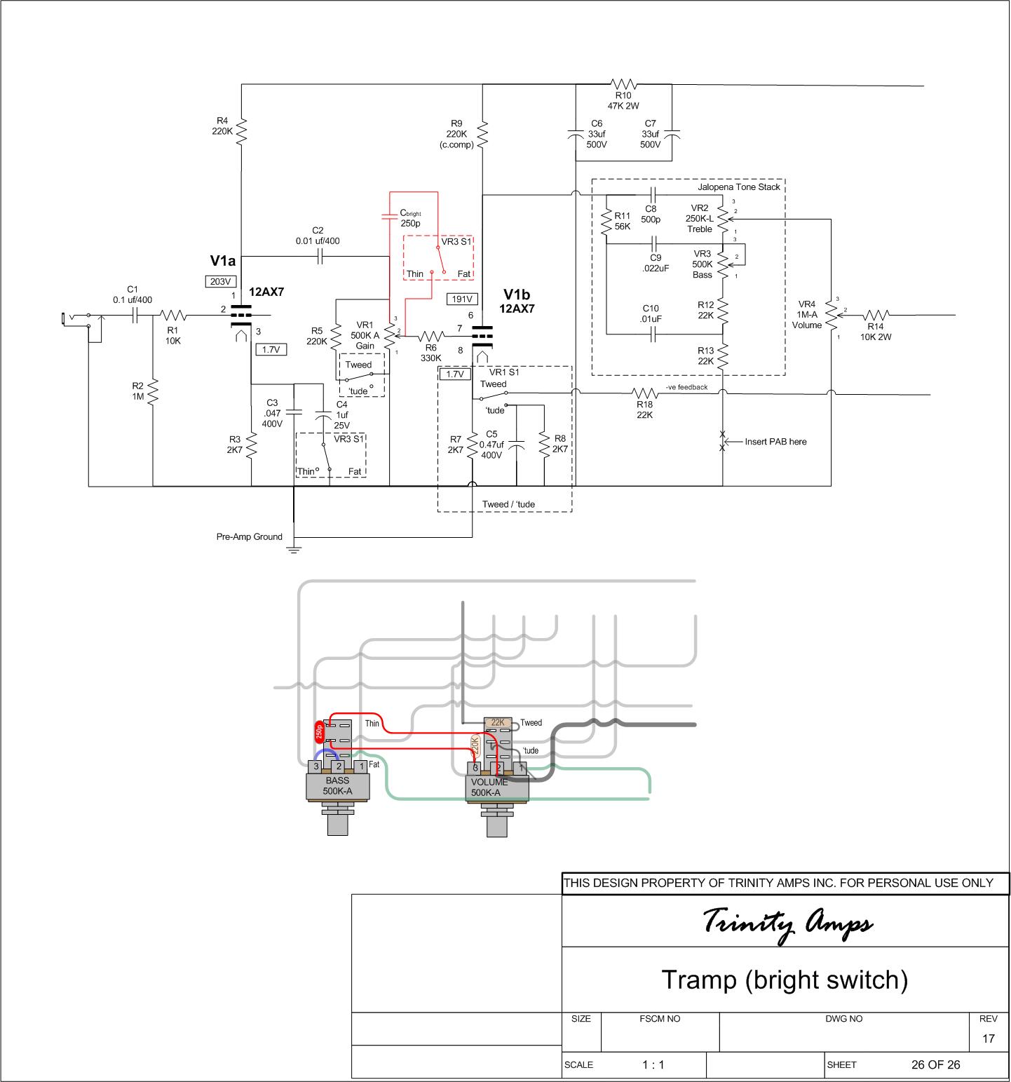
Try this by using the Fat - Thin switch to select a 250pf bright cap.
Let me know how it works . 500 pf would be extreme bright.

Only works in Thin mode.

Attachment:
TrampBrightSwitch.jpg
TrampBrightSwitch.jpg [ 157.71 KiB | Viewed 30780 times ]

_________________
Stephen
Web: www.trinityamps.com. Facebook: facebook.com/trinityamps. Twitter: @trinityamps


Top
 Profile  
 
 Post subject: Re: Gain mod?
PostPosted: Fri Apr 13, 2018 12:13 pm 
Offline
User avatar

Joined: Fri Nov 24, 2017 8:53 pm
Posts: 9
Thank you Stephen. I have 47pf, 100pf, 250pf and 500pf all 500V SM in stock. I'll go for 250pf first.
The newly installed GrooveTube 6L6 is gorgeous with its blue flashes and orange glow... I hope it to last over 100 hours.


Top
 Profile  
 
 Post subject: Re: Gain mod?
PostPosted: Fri Apr 13, 2018 12:15 pm 
Offline
Holy Ghost
Holy Ghost
User avatar

Joined: Sun Mar 13, 2005 4:10 pm
Posts: 7519
Location: Canada
If tube longevity is an issue, calculate the power dissipation in Cathode bias mode. I have never had an issue tho.

_________________
Stephen
Web: www.trinityamps.com. Facebook: facebook.com/trinityamps. Twitter: @trinityamps


Top
 Profile  
 
 Post subject: Re: Gain mod?
PostPosted: Sat Apr 14, 2018 5:19 pm 
Offline
User avatar

Joined: Fri Nov 24, 2017 8:53 pm
Posts: 9
I've tried 100p, 250p and 500p caps and 500p is way too bright in 'tude mode.
100p keeps everything clear while 250p permits a treble roll off.
For now 250pF as suggested it shall be.
Later, I'd like to go for a combo switch DPDT 100p / 250p on-off-on so I could get back to the original setting on a flick.
Drilling a 1/4'' hole in the front plate is the down side.


Top
 Profile  
 
 Post subject: Re: Gain mod?
PostPosted: Sat Apr 14, 2018 6:53 pm 
Offline
Holy Ghost
Holy Ghost
User avatar

Joined: Sun Mar 13, 2005 4:10 pm
Posts: 7519
Location: Canada
You can use the existing switch for 2 settings only, but that's a decent option considering you had none!

_________________
Stephen
Web: www.trinityamps.com. Facebook: facebook.com/trinityamps. Twitter: @trinityamps


Top
 Profile  
 
 Post subject: Re: Gain mod?
PostPosted: Tue May 01, 2018 9:19 pm 
Offline
User avatar

Joined: Fri Nov 24, 2017 8:53 pm
Posts: 9
I'm about to try and install a DPDT on-on-on switch ( just got it today) with 250p, 100p and none for the third option in order to get back to original setting.

Well it took me some time before doing it. Something went wrong when soldering heavy 18 awg on those tiny switches lugs. My fault... too much heat.


Attachments:
DPDT_bright_sw.jpg
DPDT_bright_sw.jpg [ 73.94 KiB | Viewed 30340 times ]
Top
 Profile  
 
Display posts from previous:  Sort by  
Post new topic Reply to topic  [ 22 posts ]  Go to page 1, 2  Next

All times are UTC - 5 hours [ DST ]


Who is online

Users browsing this forum: No registered users and 19 guests


You cannot post new topics in this forum
You cannot reply to topics in this forum
You cannot edit your posts in this forum
You cannot delete your posts in this forum
You cannot post attachments in this forum

Search for:
Jump to:  
cron
Powered by phpBB® Forum Software © phpBB Group