trinityamps.com

Trinity Amps Guitar Amp Forum
It is currently Thu Dec 04, 2025 4:34 pm

All times are UTC - 5 hours [ DST ]




Post new topic Reply to topic  [ 12 posts ] 
Author Message
PostPosted: Sat Sep 14, 2019 11:26 am 
Offline
Friend
Friend

Joined: Wed Sep 11, 2019 9:44 pm
Posts: 10
I plan to install the DPDT switch to let me use EL34's in my Tramp. I understand that along with the switch it is recommended to swap the 560 ohm 5w resistor with a 1k ohm 5w resistor.

My question is if running a 6L6 would still sound decent with the 1k resistor in place or would the 560 ohm resistor have to be soldered back in? Not a big deal, just curious.

Also, I've read about the arcing issue when using the mini Carling DPDT (p/n 2M1 DP-1) for the EL34 switch. Coco mentioned a fix for this by carefully wiring the switch along with using some 'liquid electric tape'. Is this still the viable fix for this?

Thanks!

-jay


Top
 Profile  
 
PostPosted: Sat Sep 14, 2019 10:19 pm 
Offline
Friend
Friend

Joined: Fri Aug 16, 2019 4:17 pm
Posts: 38
Location: Detroit, MI, USA
Hi Jay,
I've just started learning about tube amps, so please take everything I say with a grain of salt. I'm also starting a Tramp build, though. :D

Regarding the arcing issue, I'm tempted to simply leave out the SPDT switch on the transformer primary. As far as I understand, it's the ratio of turns in the primary and secondary that matters, not the absolute number of turns. So I imagine imagine switching an 8 Ohm speaker to the 16 Ohm secondary tap will have the same effect as leaving it connected to the 8 Ohm output tap and switching the tube output to the 2.5K primary tap.

In other words I think (maybe someone with more experience will correct me) we can delete the sparky SPDT switch and happily run an 8, 4, or 2 Ohm speaker in the Tramp using an EL34 by selecting the 16, 8, or 4 Ohm output impedance tap respectively. Of course, this would require an ugly sticker on the chassis panel explaining how to set the impedance switch when running an EL34.

Regarding the cathode bias resistor value, I don't have any insights into how the different tubes will respond to the different resistor values. OTOH, I wonder if we could have all options at once... bear with me through the speculation below:
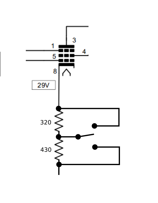
- In stock configuration, with S4 closed, the bias resistance looks to be 560 Ohms paralleled with 750 Ohms, which comes out to about 320 Ohms (note that 330 Ohms is a standard power resistor value).
- In modified configuration, with S4 closed, the bias resistance looks to be 1000 Ohms paralleled with 750 Ohms, which comes out to about 430 Ohms.
- In either configuration, with S4 open, the bias resistance is 750 Ohms.

By coincidence 330 and 430 sum to about 750. Seems like we could have all three bias options if we replaced the bias resistors with 330 Ohms and 430 Ohms, and wired them in series. Then we could swap S4 for an "on-off-on" type switch, connect its middle terminal to the junction between the 330 and 430 Ohm resistors, and connect its other two terminals at either end of the series combination. When S4 was in the center (off) position, we'd have the full 760 Ohm bias resistance. When switched up or down, it would effectively jumper out either the 330 Ohm resistor or the 430 Ohm resistor, leaving the bias at 430 Ohms or 330 Ohms. I'll try to attach a picture illustrating what I'm imagining.

Attachment:
File comment: Image illustrating the bias idea
schematic.png
schematic.png [ 23.38 KiB | Viewed 14606 times ]


It feels a little irresponsible speculating about this, given how green I am, and considering that I haven't tested anything. Please don't take my word for anything. Perhaps someone with more expertise will chime in...
Thanks.


Top
 Profile  
 
PostPosted: Sun Sep 15, 2019 1:49 am 
Offline
Experienced
Experienced

Joined: Wed Sep 12, 2018 5:17 pm
Posts: 374
Location: Shawnee, OK
The bias and load switches are 2 different things! :bugeye: If you you don't want to use the small Carling switch, order part number 691-2GL50-73 from Mouser (used on my first Tramp) and install in the hole drilled for the PAB jack. I was going to use the small red Carling switch on my second Tramp , but it seems a little too close where the brown, brown-white and brown-yellow wires come through the chassis. I plan to use it (the larger switch) on the second Tramp after checking the fit of the smaller one. Also, check out the attachment.

PharmRock wrote:
I ended up ordering a Carling DPDT heavy duty toggle:
2GL50-73. This one has the solder lugs. Available through Mouser . 15A@125vac and 10A@250vac. 1/2" mounting hole. Dimensions are 0.75" x 1 3/8", approximately 1 1/8" high including solder lugs.

I could only get a little bit of heat shrink around the solder lugs, but so far the switch is holding up. I ran the OT leads through both sides of the switch. Turned everything up 100%, Tude and fat mode...no issues with 6L6, EL84, or 5881. Problem seems to be resolved.


Attachments:
TrampTubes.jpg
TrampTubes.jpg [ 43.52 KiB | Viewed 14598 times ]

_________________
"The only problem with being retired is you never get a day off"
Top
 Profile  
 
PostPosted: Sun Sep 15, 2019 2:12 am 
Offline
Experienced
Experienced

Joined: Wed Sep 12, 2018 5:17 pm
Posts: 374
Location: Shawnee, OK
Forgot to add this. The brown wires are receiving output from the power tube and sending it to the OT and then the OT is sending that output to the selector switch (4,8 or 16 ohms), and from there on to the output jacks. Again, bias and load are NOT the same thing!

_________________
"The only problem with being retired is you never get a day off"


Top
 Profile  
 
PostPosted: Sun Sep 15, 2019 2:15 am 
Offline
Expert
Expert

Joined: Sat Dec 04, 2010 3:42 pm
Posts: 519
Location: Qualicum Beach, BC
Lighthouse,

That's right, it's the turns ratio that matters with transformers. So connecting an 8-ohm speaker to the 16-ohm secondary would reflect 2k5 back to the 5k primary, etc. Not as convenient as a 5k/2k5 load switch but it avoids switching the high voltage at the primary.

The amp will still work if you don't select the proper output impedance. It just won't be as efficient.

Your bias switch idea would work, too. It's a good way to get the three resistor values. The voltage and current at the cathode are low, so you wouldn't need a huge switch.


Top
 Profile  
 
PostPosted: Sun Sep 15, 2019 10:19 am 
Offline
Friend
Friend

Joined: Wed Sep 11, 2019 9:44 pm
Posts: 10
Lighthouse, I like your bias switch idea! I was thinking about a switch but one that you parallel either a 560 or 1k resistor with the 750 ohm resistor. End result would be the same but yours can be done with one switch and the existing eyelets on the board. Thanks!

I'd rather use a switch on the OT primary for EL34 operation. It'd be much less to think about. So.. Does the liquid electric tape work as a long term fix for the arcing on the mini Carling switch? I plan to use the PAB jack, so using the mini DPDT in the predrilled hole would be ideal.


Top
 Profile  
 
PostPosted: Sun Sep 15, 2019 3:02 pm 
Offline
Experienced
Experienced

Joined: Wed Sep 12, 2018 5:17 pm
Posts: 374
Location: Shawnee, OK
Mitch, glad an amp guru chimed in. Since I'm fairly new, I erred on the side of caution. Lighthouse understands what can be done with an amp better than I do! :oops: PS My guitar playing buddy likes the sound and tone with the 1K resistor in place of the 560 ohm resistor. As Coco states in the in Tone Tweaking addendum, works well with EL 34 and KT 88 (have used both tubes).

_________________
"The only problem with being retired is you never get a day off"


Top
 Profile  
 
PostPosted: Mon Sep 16, 2019 5:12 pm 
Offline
Friend
Friend

Joined: Fri Aug 16, 2019 4:17 pm
Posts: 38
Location: Detroit, MI, USA
Thanks Hankules for passing on the PharmRock quote. That's great to know. Also I really like the Bias/OT label. Perhaps I'll change my plan and put the switch in after all. :)

And thanks Mitch for the encouragement and confirmation.

I'm moving slow as molasses on my build, but I'm taking good photos. Do you think there would be appetite for a build thread, or is that old news now that others have done it?


Top
 Profile  
 
PostPosted: Mon Sep 16, 2019 6:04 pm 
Offline
Experienced
Experienced

Joined: Wed Sep 12, 2018 5:17 pm
Posts: 374
Location: Shawnee, OK
Lighthouse, check page 8 of Tramp board, topic: Installing a switch for EL 34 by kurtlives. I remembered the other night having read this before :idea: He shows a wiring setup for the selector with 6 positions, selectable for 4, 8 and 16 ohms for 2.5 and 5k OT both :!: Check it out. Edit: You still have to use the bias switch for the 6V6 (low)

_________________
"The only problem with being retired is you never get a day off"


Last edited by Hankules on Mon Sep 16, 2019 6:16 pm, edited 1 time in total.

Top
 Profile  
 
PostPosted: Mon Sep 16, 2019 6:10 pm 
Offline
Experienced
Experienced

Joined: Wed Sep 12, 2018 5:17 pm
Posts: 374
Location: Shawnee, OK
Build threads are ALWAYS good! How else am I going to satisfy my amp porn addiction. :thumbsup: PS Thank CheopsisIV for the bias and load chart, I just saved it, it's a good reference :!:

_________________
"The only problem with being retired is you never get a day off"


Top
 Profile  
 
PostPosted: Tue Sep 17, 2019 9:37 pm 
Offline
Holy Ghost
Holy Ghost
User avatar

Joined: Sun Mar 13, 2005 4:10 pm
Posts: 7519
Location: Canada
jmczaja wrote:
Does the liquid electric tape work as a long term fix for the arcing on the mini Carling switch?


No evidence to say it wouldn't.

_________________
Stephen
Web: www.trinityamps.com. Facebook: facebook.com/trinityamps. Twitter: @trinityamps


Top
 Profile  
 
PostPosted: Sat Sep 21, 2019 3:29 pm 
Offline
Friend
Friend

Joined: Wed Sep 11, 2019 9:44 pm
Posts: 10
I've decided to try and use use the rotary switch to switch the primaries from 5k to 2.5k on the output transformer for EL34 use.

The original thread showing this mod has pictures but they're blurry so this picture might help anyone else who wants to wire up the switch this way. I'm aware that pins 1 -> 3 aren't soldered yet. I'll wait until i connect the OT to the switch.

Pin 1 on the switch is jumpered to pin 4 on the switch, pin 2 to 5 and pin 3 to 6.

The brown/yellow (5k) wire from the OT goes to pins 7,8,9 on the switch and the brown/white (2k5) wire from the OT goes to pins 10,11,12 on the switch.

Lug 'A' on the switch goes to the tip lug of the output jacks and lug 'C' on the switch goes to pin 3 on the octal socket.

Image

Here's Coco's schematic for reference:

Image


Top
 Profile  
 
Display posts from previous:  Sort by  
Post new topic Reply to topic  [ 12 posts ] 

All times are UTC - 5 hours [ DST ]


Who is online

Users browsing this forum: No registered users and 30 guests


You cannot post new topics in this forum
You cannot reply to topics in this forum
You cannot edit your posts in this forum
You cannot delete your posts in this forum
You cannot post attachments in this forum

Search for:
Jump to:  
cron
Powered by phpBB® Forum Software © phpBB Group