trinityamps.com

Trinity Amps Guitar Amp Forum
It is currently Tue Mar 03, 2026 2:42 pm

All times are UTC - 5 hours [ DST ]




Post new topic Reply to topic  [ 6 posts ] 
Author Message
 Post subject: 2061x Bass mods
PostPosted: Fri Apr 23, 2010 2:58 pm 
Offline

Joined: Sun Mar 07, 2010 11:55 am
Posts: 2
Location: Finland
Hi.

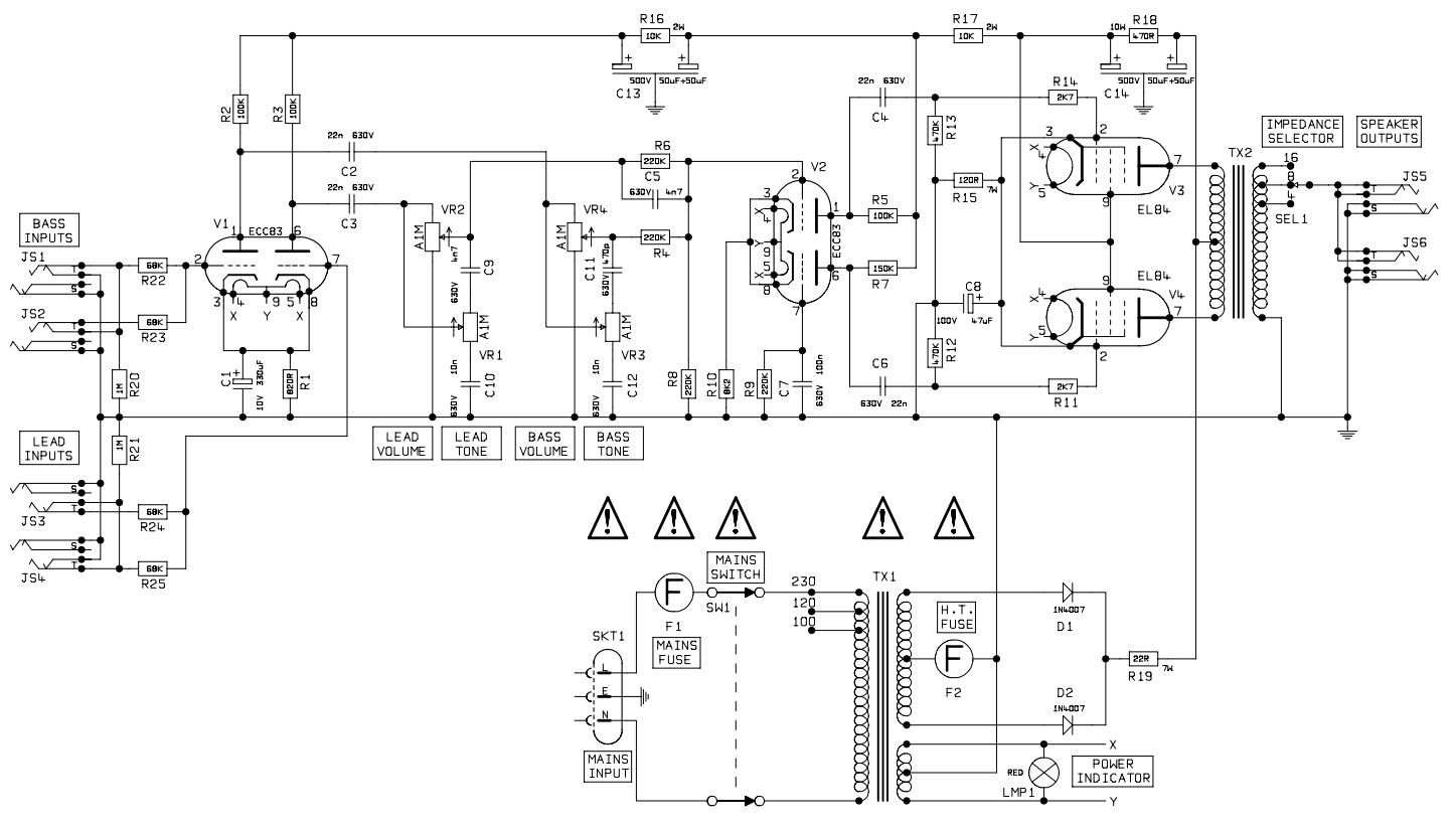
My M2061x is putting out too much bass. What kind of options do I have if i want to reduce the bass?

Schematic attached to this post.

Thanks!


Attachments:
2061.JPG
2061.JPG [ 146.88 KiB | Viewed 10243 times ]
Top
 Profile  
 
 Post subject: Re: 2061x Bass mods
PostPosted: Fri Apr 23, 2010 3:20 pm 
Offline
Holy Ghost
Holy Ghost
User avatar

Joined: Sun Mar 13, 2005 4:10 pm
Posts: 7519
Location: Canada
Start by change that 330 uf cap, C1, to something like 25 uf , 25V

_________________
Stephen
Web: www.trinityamps.com. Facebook: facebook.com/trinityamps. Twitter: @trinityamps


Top
 Profile  
 
 Post subject: Re: 2061x Bass mods
PostPosted: Mon Apr 26, 2010 1:53 pm 
Offline

Joined: Sun Mar 07, 2010 11:55 am
Posts: 2
Location: Finland
Ok and thanks. What if I wanted to reduce the bass only on the lead channel? Now the frequency range on both channels is almost the same. The bass channel only has less highs. Could someone explain how this tone stack works?


Top
 Profile  
 
 Post subject: Re: 2061x Bass mods
PostPosted: Mon Apr 26, 2010 2:22 pm 
Offline
Experienced
Experienced
User avatar

Joined: Sat Jul 22, 2006 2:59 pm
Posts: 480
Location: Vancouver B.C. Canada
On V1 there is a shared cathode on the two triodes. You could do a split cathode where you could leave the high value cap in the triode associated with the bass channel and do the mod Stephen suggested on the lead channel. I'd go with 1.5 K separate cathode resistors instead of the 820R shared.
The lead channel also has a bypass cap on the 220K mixer resistor to pass some highs around that resistor. The tone stack is the same for both channels except one capacitor value is different. I'll let more knowledgeable people explain that one :lol:
Stew


Top
 Profile  
 
 Post subject: Re: 2061x Bass mods
PostPosted: Mon Apr 26, 2010 6:23 pm 
Offline
Expert
Expert
User avatar

Joined: Sun May 20, 2007 1:45 pm
Posts: 1254
Location: YYZ
Stoo wrote:
...do the mod Stephen suggested on the lead channel. I'd go with 1.5 K separate cathode resistors instead of the 820R shared.

Or how about the classic Marshall plexi Superlead 2.7k/0.68uF combination on the lead channel cathode....

_________________
Great tones come in small glass jars!


Top
 Profile  
 
 Post subject: Re: 2061x Bass mods
PostPosted: Mon Apr 26, 2010 10:21 pm 
Offline
Holy Ghost
Holy Ghost
User avatar

Joined: Sun Mar 13, 2005 4:10 pm
Posts: 7519
Location: Canada
topic moved to Dressing Room

_________________
Stephen
Web: www.trinityamps.com. Facebook: facebook.com/trinityamps. Twitter: @trinityamps


Top
 Profile  
 
Display posts from previous:  Sort by  
Post new topic Reply to topic  [ 6 posts ] 

All times are UTC - 5 hours [ DST ]


Who is online

Users browsing this forum: No registered users and 22 guests


You cannot post new topics in this forum
You cannot reply to topics in this forum
You cannot edit your posts in this forum
You cannot delete your posts in this forum
You cannot post attachments in this forum

Search for:
Jump to:  
Powered by phpBB® Forum Software © phpBB Group