Unimind wrote:
After thinking about this off and on yesterday I realized that I was not a total NOOB. Well I am a NOOB but my mind was not out the window.
I knew that and couldn't understand why you seemed to be running yourself down so much.

Unimind wrote:
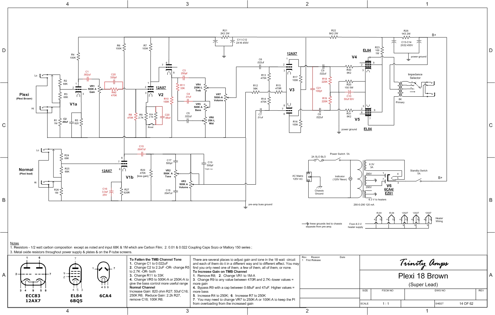
Or you could take the signal after VR7, the master volume. Now if you do that and you do not have an attenuator, then you are basically going to be using the normal channel gain as your master volume which means you are not fully utilizing that gain stage (unless you like things really loud).
We have done it this way before, and it's actually quite OK. The TMB channel's volume control, then becomes an additional Gain control, and then the Normal channel's volume control becomes the overall master volume before the PI. I don't see how that means you're not fully utilising anything....
Unimind wrote:
... the problem is that your tone stack becomes a fancy 3 knob tone control for your 'overdrive' and your final tone shaping is done with the normal channel tone control which is just not as good as a full tone stack.
To some extent that is true, and that's what I was getting at before. It means that the tonal range of the TMB stack becomes somewhat limited by the frequency response of the Normal preamp stage. So that has to be set fairly carefully, not to have too much bass, but to still allow some usable control range. When you're using a lot of gain, you have to restrict the bass so the tine doesn't get mushy, and to me it appears you've already taken care of that in your mods. The TMB tone controls do still work just the same, and the Normal channel tone control then allows you to trim the top end to suit.
Unimind wrote:
If it is just a matter of convenience of what channel you plug your guitar into most.
Yes, we're on the same lines here.
Unimind wrote:
Just go get a patch cable, plug into the normal channel and jumper the inputs. When you are not using the cascade or the normal channel then just turn the normal gain down.
You're confusing me here. Patching channels together doesn't make anything cascaded....
