trinityamps.com

Trinity Amps Guitar Amp Forum
It is currently Sun Jan 25, 2026 1:49 pm

All times are UTC - 5 hours [ DST ]




Post new topic Reply to topic  [ 6 posts ] 
Author Message
PostPosted: Thu Sep 08, 2011 2:13 pm 
Offline
Friend
Friend

Joined: Sat Apr 29, 2006 10:56 am
Posts: 21
Location: City of brotherly Love
I have a loud pop when I switch the Boost switch. I'm switching the cathodes on the first pre-amp stage running a 2.2K then switching a 1K/22uf in parallel. And PoP.

I tried a 100K across the switch to no avail.

any suggestions?

Thanks
ajkimba


Top
 Profile  
 
PostPosted: Thu Sep 08, 2011 2:22 pm 
Offline
Expert
Expert
User avatar

Joined: Sun Feb 17, 2008 4:47 pm
Posts: 960
Location: Toronto, Canada.
The pop is normal. It's the cap charging/discharging.

I would have thought a high value resistor (>1M) in series with the 1K/22uF would get rid of the pop. Then you just use the switch to short out the resistor.

_________________
http://pdfelectronics.com


Top
 Profile  
 
PostPosted: Thu Sep 08, 2011 3:05 pm 
Offline
Friend
Friend

Joined: Sat Apr 29, 2006 10:56 am
Posts: 21
Location: City of brotherly Love
kurtlives wrote:
The pop is normal. It's the cap charging/discharging.

I would have thought a high value resistor (>1M) in series with the 1K/22uF would get rid of the pop. Then you just use the switch to short out the resistor.


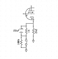
Not sure what you mean, it's wired like this


Attachments:
Cathode Switch.png
Cathode Switch.png [ 19.1 KiB | Viewed 8085 times ]
Top
 Profile  
 
PostPosted: Thu Sep 08, 2011 5:49 pm 
Offline
Expert
Expert
User avatar

Joined: Sun Feb 17, 2008 4:47 pm
Posts: 960
Location: Toronto, Canada.
Trying upping the value of that 100K resistor to 1M.

_________________
http://pdfelectronics.com


Top
 Profile  
 
PostPosted: Thu Sep 08, 2011 9:01 pm 
Offline
Friend
Friend

Joined: Sat Apr 29, 2006 10:56 am
Posts: 21
Location: City of brotherly Love
I did no help, I guess the changing bias of the tube causes the pop.

I just took the 2K2 r out and just used the cap for a little boost, no pop even without the 1 meg. I lowered the single cathode r to 1K5. Not too bad.

It's a friends garage sale amp and I was setting it up for him with American made 6L6s, when I put the Sovtecks back the tone went too, way too bright and no thickness. NOS 6L6's really sound so much better, my ears are spoiled.

Thanks for your advice.

ajkimba


Top
 Profile  
 
PostPosted: Sun Sep 18, 2011 5:08 pm 
Offline
Holy Ghost
Holy Ghost
User avatar

Joined: Sun Mar 13, 2005 4:10 pm
Posts: 7519
Location: Canada
ajkimba wrote:
I have a loud pop when I switch the Boost switch. I'm switching the cathodes on the first pre-amp stage running a 2.2K then switching a 1K/22uf in parallel. And PoP.

I tried a 100K across the switch to no avail.

any suggestions?

Thanks
ajkimba



The pop is as kurtlives says. The only way we found to eliminate it in the sIII design, was our soft boost switch for footswitching. Otherwise, it's really best to do it with standby on.

_________________
Stephen
Web: www.trinityamps.com. Facebook: facebook.com/trinityamps. Twitter: @trinityamps


Top
 Profile  
 
Display posts from previous:  Sort by  
Post new topic Reply to topic  [ 6 posts ] 

All times are UTC - 5 hours [ DST ]


Who is online

Users browsing this forum: No registered users and 25 guests


You cannot post new topics in this forum
You cannot reply to topics in this forum
You cannot edit your posts in this forum
You cannot delete your posts in this forum
You cannot post attachments in this forum

Search for:
Jump to:  
Powered by phpBB® Forum Software © phpBB Group