trinityamps.com

Trinity Amps Guitar Amp Forum
It is currently Wed Mar 04, 2026 1:44 pm

All times are UTC - 5 hours [ DST ]




Post new topic Reply to topic  [ 19 posts ] 
Author Message
PostPosted: Mon Aug 27, 2012 10:17 pm 
Offline
Holy Ghost
Holy Ghost
User avatar

Joined: Sun Mar 13, 2005 4:10 pm
Posts: 7519
Location: Canada
When the Brown thread started, we promised Brent Bodrug from Sly-Fi for a first crack at it.

Specs included many Brown mods; cascade from Normal into TMB channel; Boost with .68; & VRM on PA only.
and we took it to Sly Fi Chapel Studios for a run with Brent - our favourite consulting recording engineer.

1. Normal Channel was PERFECT as it stood
2. TMB channel was EXCELLENT - a bit TOO bright (easily rectified) Treble on 1.
3. CASCADE is a really fun and a BONUS. It starts to get pretty close to Mesa. Pushing from Normal to TMB was good, TMB did brighten it up. Still need to tone it down in Brent's opinion.
4. Boost on TMB was not required - plenty of gain out of the box.
5. Adding the Boost in Cascade mode was crazy (unless you could really tone it down).
6. Power Amp VRM was a dissappointement - sound got fizzy and thin at lower volumes. Recommendstion was to scale the entire amp as we have always done.
7. LOUD - Loudest 18W I have heard to date.

BONUS
8. Unexpected cleans in both TMB and when cascaded mode. Beautiful Clean & loud - almost acoutstic - until about 4 on the Gain. Very useable indeed.

More to come on as the mods / testing progresses. Will get Brent to chime in.

_________________
Stephen
Web: www.trinityamps.com. Facebook: facebook.com/trinityamps. Twitter: @trinityamps


Top
 Profile  
 
PostPosted: Mon Aug 27, 2012 11:03 pm 
Offline
Experienced
Experienced

Joined: Fri Aug 27, 2010 8:57 pm
Posts: 226
Location: Dallas, Tx
Sounds really good. I want to hear more. And maybe some clips.

One thing on the TMB being too bright, did you have a bright cap on VR1? I have mine on a switch but I never use it. It is bright enough without it. Changing the V1 coupling cap (C1) to .0047uf will tame some of the treble. Also increasing cap across the V1 mix resistor (R42) up to 550pf. And lastly increase the treble cap (C3) up to 550pf.

I still have C1 at .0022 but I now have R42 and C3 at 500pf. I also have V2 cathode bypass cap (C20) sitchable between .68uf and 330uf. I call it the "FAT" switch as the 330uf brings in more lower-mids. I use it when not cascading. When cascading it can get a little muddy so I switch to the .68uf.

_________________
Les

http://www.soundclick.com/unimind


Top
 Profile  
 
PostPosted: Tue Aug 28, 2012 8:17 am 
Offline
Expert
Expert
User avatar

Joined: Sun May 20, 2007 1:45 pm
Posts: 1254
Location: YYZ
coco wrote:
6. Power Amp VRM was a disappointment - sound got fizzy and thin at lower volumes. Recommendation was to scale the entire amp as we have always done.

Was that just power amp, or power amp + PI? The majority consensus of 18W builders and players is that power amp + PI scaling preserves crispness and definition better at low volume than scaling the whole amp. However, with PA+PI scaling it's *essential* to dial down the Volume level going into the PI as you dial down the voltage on the VRM, so that it doesn't get fizzy. I suspect that Brent didn't do that. The fizziness is a sign that too much drive is being applied to the PI+PA for the reduced voltage they're operating at.

coco wrote:
BONUS
7. Unexpected cleans in both TMB and when cascaded mode. Beautiful Clean & loud - almost acoutstic - until about 4 on the Gain.

This is an cool feature of some high-gain amps when you don't drive them too hard from the guiter. The Triwatt dos that as well in Overdrive mode.

_________________
Great tones come in small glass jars!


Top
 Profile  
 
PostPosted: Tue Aug 28, 2012 8:22 am 
Offline
Expert
Expert
User avatar

Joined: Sun Feb 17, 2008 4:47 pm
Posts: 960
Location: Toronto, Canada.
^The PI + PA was scaled.
The original VRM is great because you don't have to worry about where volume/gain controls are set in relation to the VRM.

Unimind wrote:
Sounds really good. I want to hear more. And maybe some clips.

One thing on the TMB being too bright, did you have a bright cap on VR1? I have mine on a switch but I never use it. It is bright enough without it. Changing the V1 coupling cap (C1) to .0047uf will tame some of the treble. Also increasing cap across the V1 mix resistor (R42) up to 550pf. And lastly increase the treble cap (C3) up to 550pf.

I also had a little experience with the amp.
No bright cap on the TMB channel

I'd make the treble cap (C3) 500pF. That has always been the value for the treble caps in Marshall's, I understand why you went with the 250pF though.


Unimind wrote:
I still have C1 at .0022 but I now have R42 and C3 at 500pf. I also have V2 cathode bypass cap (C20) sitchable between .68uf and 330uf. I call it the "FAT" switch as the 330uf brings in more lower-mids. I use it when not cascading. When cascading it can get a little muddy so I switch to the .68uf.

What's R42 at 500pF?

C20 the boost cap made the amp pretty gainy and crazy. I think coco mentioned before the boost was left off.

With that triode I'd just use a single 820R-1K resistor and leave it unbypassed. Biases the stage a bit warmer and brings you closer to a 50W Plexi in terms of architecture.

_________________
http://pdfelectronics.com


Top
 Profile  
 
PostPosted: Tue Aug 28, 2012 10:14 am 
Offline
Holy Ghost
Holy Ghost
User avatar

Joined: Sun Mar 13, 2005 4:10 pm
Posts: 7519
Location: Canada
Actually this amp was a collaborative effort with kurtlives so he's up on the details. The amp is really very close to finished.
We're betting that if you used 6V6 (driven harder) insted of EL84, it would be excellent as it stands, but the EL84s need to be tamed a little bit.

Attachment:
plexi_brown 0011.JPG
plexi_brown 0011.JPG [ 1.08 MiB | Viewed 22092 times ]


For the VRM, Brent did play with the controls on the PA/PI configuration to try to regain the texture but we all preferred the whole amp VRM. More intuitive & easier to control. We'll play some more with it. I'll get Mark Taylor involved.

Quote:
Sounds really good. I want to hear more. And maybe some clips.


We'll work on clips. Would you like to do them?

_________________
Stephen
Web: www.trinityamps.com. Facebook: facebook.com/trinityamps. Twitter: @trinityamps


Top
 Profile  
 
PostPosted: Tue Aug 28, 2012 12:17 pm 
Offline
Experienced
Experienced
User avatar

Joined: Sat Jul 22, 2006 2:59 pm
Posts: 480
Location: Vancouver B.C. Canada
Stephen.
Will there be an upgrade option for us original Trinity 18 owners. ie replacement turret board or maybe a small kit to do the mod? I haven't studied the plexi brown schematic to know how much is involved doing the mod on it's own.
Stew


Top
 Profile  
 
PostPosted: Tue Aug 28, 2012 1:04 pm 
Offline
Holy Ghost
Holy Ghost
User avatar

Joined: Sun Mar 13, 2005 4:10 pm
Posts: 7519
Location: Canada
Stoo wrote:
Stephen.
Will there be an upgrade option for us original Trinity 18 owners. ie replacement turret board or maybe a small kit to do the mod? I haven't studied the plexi brown schematic to know how much is involved doing the mod on it's own.
Stew


You're viewing the New Design Turret boards, but you can do this with the old boards so an upgrade kit is a distinct possibility. Thanks for the idea.

_________________
Stephen
Web: www.trinityamps.com. Facebook: facebook.com/trinityamps. Twitter: @trinityamps


Top
 Profile  
 
PostPosted: Tue Aug 28, 2012 9:59 pm 
Offline
Experienced
Experienced

Joined: Fri Aug 27, 2010 8:57 pm
Posts: 226
Location: Dallas, Tx
kurtlives wrote:
I also had a little experience with the amp.
No bright cap on the TMB channel

I'd make the treble cap (C3) 500pF. That has always been the value for the treble caps in Marshall's, I understand why you went with the 250pF though.


Unimind wrote:
I still have C1 at .0022 but I now have R42 and C3 at 500pf. I also have V2 cathode bypass cap (C20) sitchable between .68uf and 330uf. I call it the "FAT" switch as the 330uf brings in more lower-mids. I use it when not cascading. When cascading it can get a little muddy so I switch to the .68uf.

What's R42 at 500pF?

C20 the boost cap made the amp pretty gainy and crazy. I think coco mentioned before the boost was left off.

With that triode I'd just use a single 820R-1K resistor and leave it unbypassed. Biases the stage a bit warmer and brings you closer to a 50W Plexi in terms of architecture.

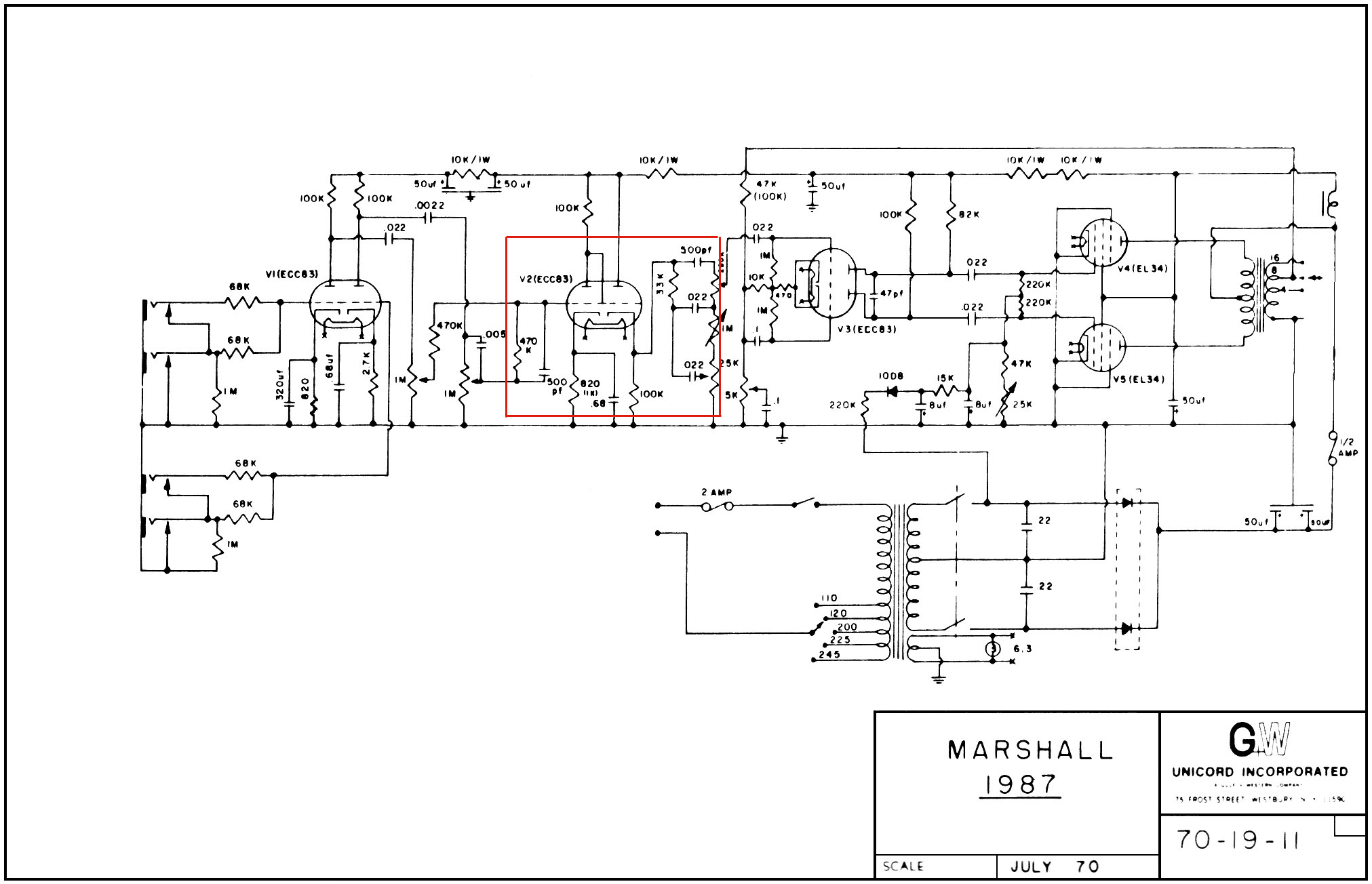
The R42 is the mix resistor for the TMB channel entering V2 and the 500pf is the bypass cap for that resistor.

I have highlighted the V2 and tone stack in the schematic below and that is exactly what I now have in my amp. Notice also the .68uf cathode bypass on V2A. That is where I have my FAT switch.

Incidentally, my amp now has the stock 1959/1987 spec. (i.e. no brown values) :bugeye: :oops: :oops:
Attachment:
1987.jpg
1987.jpg [ 291.5 KiB | Viewed 22076 times ]

_________________
Les

http://www.soundclick.com/unimind


Top
 Profile  
 
PostPosted: Tue Aug 28, 2012 10:27 pm 
Offline
Experienced
Experienced

Joined: Fri Aug 27, 2010 8:57 pm
Posts: 226
Location: Dallas, Tx
coco wrote:
We're betting that if you used 6V6 (driven harder) insted of EL84, it would be excellent as it stands, but the EL84s need to be tmed a little bit.

I would love to hear what it sounds like with 6V6s. From what I can tell the octals are designed to be pushed harder and have more bottem end. I bet it would sound great. And NO MORE FIZZIES. :lol: I did not order the V6 chasis so I will have to enlarge the holes to do the upgrade.

_________________
Les

http://www.soundclick.com/unimind


Top
 Profile  
 
PostPosted: Wed Aug 29, 2012 11:46 pm 
Offline
Expert
Expert
User avatar

Joined: Sun May 20, 2007 1:45 pm
Posts: 1254
Location: YYZ
kurtlives wrote:
The original VRM is great because you don't have to worry about where volume/gain controls are set in relation to the VRM.

But you *will* lose definition and crispness at the lower volume settings. That's the inevitable trade-off. Alternatively, you could also argue that the increased brownness is desirable... :)

Unimind wrote:
I did not order the V6 chasis so I will have to enlarge the holes to do the upgrade.

You could always use 6CM6 tubes. They're 6V6s in a 9-pin bottle, and therefore limited to 12W dissipation (same as EL84s).

_________________
Great tones come in small glass jars!


Top
 Profile  
 
PostPosted: Thu Aug 30, 2012 1:14 am 
Offline
Experienced
Experienced

Joined: Fri Aug 27, 2010 8:57 pm
Posts: 226
Location: Dallas, Tx
zaphod wrote:
You could always use 6CM6 tubes. They're 6V6s in a 9-pin bottle, and therefore limited to 12W dissipation (same as EL84s).
Damn that's the third time you have told me that :oops: . I would just need to re-wire the pinouts and figure out the bias resistor and cap. I guess I just need to order the damn things so I don't forget again. They are $7 at TubeDepot. http://www.tubedepot.com/nos-6cm6.html

_________________
Les

http://www.soundclick.com/unimind


Top
 Profile  
 
PostPosted: Thu Aug 30, 2012 8:54 am 
Offline
Expert
Expert
User avatar

Joined: Sun May 20, 2007 1:45 pm
Posts: 1254
Location: YYZ
You'll probably need something like a 300 ohms or 330 ohms cathode resistor. 6V6s have a lot lower gain than EL84s, so you need the 18W stock 470k resistors on the grids, with 470R/22k PI tail vs the more usual 820R/56k.

_________________
Great tones come in small glass jars!


Top
 Profile  
 
PostPosted: Thu Aug 30, 2012 10:24 am 
Offline
Holy Ghost
Holy Ghost
User avatar

Joined: Sun Mar 13, 2005 4:10 pm
Posts: 7519
Location: Canada
Quote:
You could always use 6CM6 tubes. They're 6V6s in a 9-pin bottle, and therefore limited to 12W dissipation (same as EL84s).


Wonder how they compare to the 6V6 octal sound? Have you heard them?

_________________
Stephen
Web: www.trinityamps.com. Facebook: facebook.com/trinityamps. Twitter: @trinityamps


Top
 Profile  
 
PostPosted: Thu Aug 30, 2012 1:07 pm 
Offline
Novice
Novice

Joined: Mon Apr 04, 2005 8:24 pm
Posts: 60
Location: New Jersey
coco wrote:
Quote:
You could always use 6CM6 tubes. They're 6V6s in a 9-pin bottle, and therefore limited to 12W dissipation (same as EL84s).


Wonder how they compare to the 6V6 octal sound? Have you heard them?


What he said :D


Top
 Profile  
 
PostPosted: Thu Aug 30, 2012 3:40 pm 
Offline
Experienced
Experienced

Joined: Fri Aug 27, 2010 8:57 pm
Posts: 226
Location: Dallas, Tx
zaphod wrote:
You'll probably need something like a 300 ohms or 330 ohms cathode resistor. 6V6s have a lot lower gain than EL84s, so you need the 18W stock 470k resistors on the grids, with 470R/22k PI tail vs the more usual 820R/56k.

Since they are almost identical specs to the 6V6s would I be able to just use the same values/design as for the Trinity V6?

_________________
Les

http://www.soundclick.com/unimind


Top
 Profile  
 
PostPosted: Thu Aug 30, 2012 3:41 pm 
Offline
Experienced
Experienced

Joined: Fri Aug 27, 2010 8:57 pm
Posts: 226
Location: Dallas, Tx
neon333 wrote:
coco wrote:
Quote:
You could always use 6CM6 tubes. They're 6V6s in a 9-pin bottle, and therefore limited to 12W dissipation (same as EL84s).


Wonder how they compare to the 6V6 octal sound? Have you heard them?


What he said :D

I have never heard them. I guess I am just going to have to try them and see.

_________________
Les

http://www.soundclick.com/unimind


Top
 Profile  
 
PostPosted: Thu Aug 30, 2012 10:21 pm 
Offline
Expert
Expert
User avatar

Joined: Sun May 20, 2007 1:45 pm
Posts: 1254
Location: YYZ
You get a tighter tone and less tendency for "fizziness" than EL84s. Some folks really rave about them. Unfortunately, they're not in current production, so they're not really suited for commercial amp designs, although great for DIY builds.

Unimind wrote:
Since they are almost identical specs to the 6V6s would I be able to just use the same values/design as for the Trinity V6?

No - for two reasons. First of all a regular octal 6V6 can dissipate 14W. These ones are confined in a smaller space, and can only dissipate 12W. So you need a bigger cathode resistor. Secondly, IIRC the Trinity V6 still needs its PI optimised IMO to compensate for the lower gain of 6V6 tubes, with the 470R/22k values, which are closer to what you would have in a Blackface F*nder. It's just a small tweak, but it really helps get those 6V6s singing.

_________________
Great tones come in small glass jars!


Top
 Profile  
 
PostPosted: Fri Aug 31, 2012 9:09 am 
Offline
Holy Ghost
Holy Ghost
User avatar

Joined: Sun Mar 13, 2005 4:10 pm
Posts: 7519
Location: Canada
zaphod wrote:
IIRC the Trinity V6 still needs its PI optimised IMO to compensate for the lower gain of 6V6 tubes, with the 470R/22k values, which are closer to what you would have in a Blackface F*nder. It's just a small tweak, but it really helps get those 6V6s singing.


We have that design if you are interested and built our last v6 a new way.

_________________
Stephen
Web: www.trinityamps.com. Facebook: facebook.com/trinityamps. Twitter: @trinityamps


Top
 Profile  
 
PostPosted: Sat Jan 12, 2013 12:42 am 
Offline
Holy Ghost
Holy Ghost
User avatar

Joined: Sun Mar 13, 2005 4:10 pm
Posts: 7519
Location: Canada
Ok, so some of you may not know that testing the Plexi Brown first time coincided with a heart attack!

But since then I made the mods to the design and went back to the studio to see Brent.

I had Reduced treble cap; power scaled the whole amp; went to 820 ohms PI resistor; removed boost resistor and went with .68 fat cap; ignored the cascading. It is now as documented and as shipping.

The normal channel is still perfect, great bite and crunch. The changes in the TMB side brought it right on target for the tone were after - a hot loud Plexi with a bite to it. We still didn't think the cascading was perfect or worth the hassle to build it but the tone we were after was found when we simply jumped channels. So on builds, not kits, we will put in a pull switch that jumps the channels.



In a recording session on Jan 10, here is what Brent had to say:

" Your amps owned this session! ALL trinity!! Plexi is in both tunes - sounds AMAZING, band LOVED it and asked to use it on both (with my 50th anniversary Strat both times). We used it jumpered, just sounds like the best Marshall I never had! I want it!!!!! Also used Tramp, TC, and JTM. Strat, Rickenbacker, PRS Hollowbody. :D. "

More bands coming into the studio, so more feedback coming!

_________________
Stephen
Web: www.trinityamps.com. Facebook: facebook.com/trinityamps. Twitter: @trinityamps


Top
 Profile  
 
Display posts from previous:  Sort by  
Post new topic Reply to topic  [ 19 posts ] 

All times are UTC - 5 hours [ DST ]


Who is online

Users browsing this forum: No registered users and 39 guests


You cannot post new topics in this forum
You cannot reply to topics in this forum
You cannot edit your posts in this forum
You cannot delete your posts in this forum
You cannot post attachments in this forum

Search for:
Jump to:  
cron
Powered by phpBB® Forum Software © phpBB Group