trinityamps.com

Trinity Amps Guitar Amp Forum
It is currently Sat Jan 31, 2026 4:41 am

All times are UTC - 5 hours [ DST ]




Post new topic Reply to topic  [ 20 posts ] 
Author Message
 Post subject: Cascade mod
PostPosted: Sat Oct 15, 2011 2:05 pm 
Offline
Friend
Friend

Joined: Thu Jun 09, 2011 3:26 pm
Posts: 38
Location: Dublin, Ireland
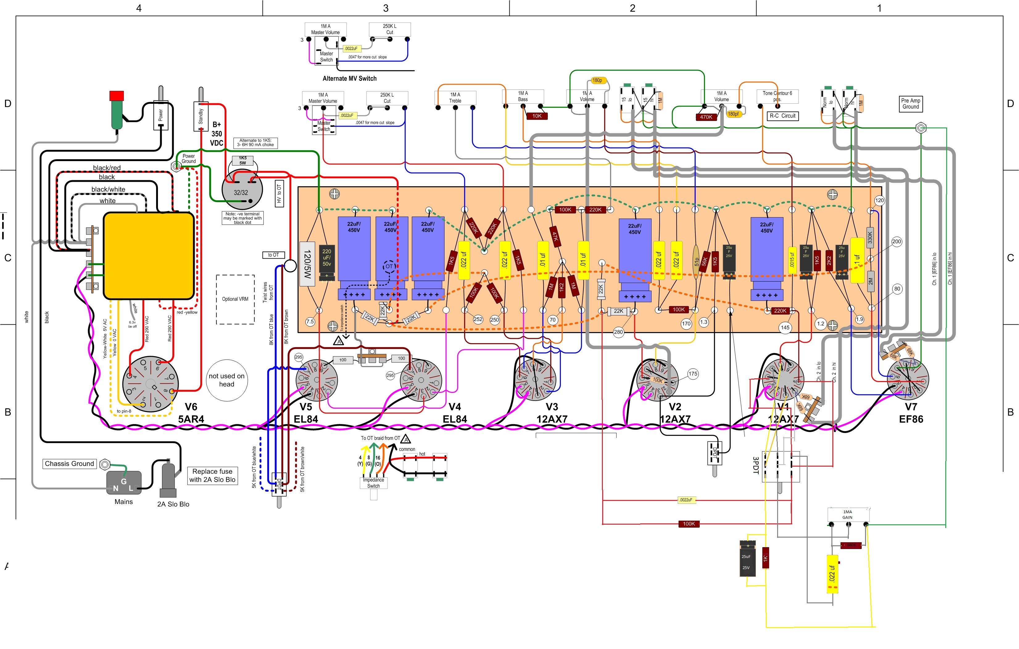
Hi, Following kurtlives schematic posted in a new TC is born, I've drawn up where I think I can get connections on the layout.
Not quite sure if i should take the B+ where I have...Any thoughts?


Attachments:
tc15 cascade.jpg
tc15 cascade.jpg [ 77.12 KiB | Viewed 22244 times ]
cascade mod.jpg
cascade mod.jpg [ 1.07 MiB | Viewed 22244 times ]
Top
 Profile  
 
 Post subject: Re: Cascade mod
PostPosted: Sat Oct 15, 2011 2:40 pm 
Offline
Expert
Expert
User avatar

Joined: Sun Feb 17, 2008 4:47 pm
Posts: 960
Location: Toronto, Canada.
Take the B+ from the filter cap on the far right (the one with the 220K plate resistor on it).

I'll check switching when I get a minute.

_________________
http://pdfelectronics.com


Top
 Profile  
 
 Post subject: Re: Cascade mod
PostPosted: Sat Oct 15, 2011 3:05 pm 
Offline
Friend
Friend

Joined: Thu Jun 09, 2011 3:26 pm
Posts: 38
Location: Dublin, Ireland
Like this.....
The 22nf cap, 680K, R1 & R2 seem to be in circuit at all times. Do these have any effect on the parallel mode?
Thanks


Attachments:
cascade mod.jpg
cascade mod.jpg [ 1.08 MiB | Viewed 22240 times ]
Top
 Profile  
 
 Post subject: Re: Cascade mod
PostPosted: Sat Oct 15, 2011 4:57 pm 
Offline
Expert
Expert
User avatar

Joined: Sun Feb 17, 2008 4:47 pm
Posts: 960
Location: Toronto, Canada.
Switch wiring is not correct. Check pin 1 against my schem. (you might need to add an extra eyelet)

It's close but it looks like you mixed up some of the switch contacts. Notice which ones are common and which are the throws.

_________________
http://pdfelectronics.com


Top
 Profile  
 
 Post subject: Re: Cascade mod
PostPosted: Sat Oct 15, 2011 5:16 pm 
Offline
Novice
Novice
User avatar

Joined: Mon Aug 11, 2008 2:37 pm
Posts: 126
Location: Oblivia (Longmont, CO, US)
Also, in the sketch, aren't the 680k/R1/R2 combo serving as basically a static gain dump? These become redundant when you include the gain pot, if I'm seeing this correctly......with the 680K across pins 1 and 3 of the 1M pot, you're effectively converting it to ~400k pot & changing the curve a bit. This isn't necessarily a bad thing, but if you're looking for the frequency response & curve of a 1M pot, I don't think this will get you there. Here's what I came up with for one of my amps.......very much based on your original diagram. Many thanks for posting it. My amp is much different than the TC-15 so the resistor & cap values don't apply here.....but the topography is very similar.
Attachment:
Capture.JPG
Capture.JPG [ 62.12 KiB | Viewed 22229 times ]

_________________
************
** b0b0 **
************

- This Space For Rent -


Top
 Profile  
 
 Post subject: Re: Cascade mod
PostPosted: Sun Oct 16, 2011 10:07 am 
Offline
Friend
Friend

Joined: Thu Jun 09, 2011 3:26 pm
Posts: 38
Location: Dublin, Ireland
Sorry, I've missed the B+ supply to pin 6 when in cascade mode. Not sure where I need an extra eyelet.I've moved the B+ supply from pin 1 to pin 6. Bobo, I had a quick look at your schematic. Thanks for posting it. Looks very similar to what I'm trying to get. What about the 500k gain pot in parallel mode, does it lose any gain because of it?


Attachments:
cascade mod.jpg
cascade mod.jpg [ 1.08 MiB | Viewed 22204 times ]
Top
 Profile  
 
 Post subject: Re: Cascade mod
PostPosted: Sun Oct 16, 2011 1:37 pm 
Offline
Friend
Friend

Joined: Thu Jun 09, 2011 3:26 pm
Posts: 38
Location: Dublin, Ireland
Did you use the extra eyelet for the 25uf cap/1K resistor?


Top
 Profile  
 
 Post subject: Re: Cascade mod
PostPosted: Mon Oct 17, 2011 3:41 pm 
Offline
Expert
Expert
User avatar

Joined: Sun Feb 17, 2008 4:47 pm
Posts: 960
Location: Toronto, Canada.
Your close!

- Cathode switching is correct
- Grid switching is not correct (look at where the you have pins 2 and 7 mixed up essentially, study the schem)
- Plate switching is not correct, you got some of the lugs mixed up

_________________
http://pdfelectronics.com


Top
 Profile  
 
 Post subject: Re: Cascade mod
PostPosted: Mon Oct 17, 2011 7:34 pm 
Offline
Friend
Friend

Joined: Thu Jun 09, 2011 3:26 pm
Posts: 38
Location: Dublin, Ireland
Ok the parts I need to wire to mod arrived today. I think better with parts and a soldering iron than I do with a piece of paper :damntech: I'll post tomorrow and see if I have it sorted!


Top
 Profile  
 
 Post subject: Re: Cascade mod
PostPosted: Tue Oct 18, 2011 5:31 pm 
Offline
Friend
Friend

Joined: Thu Jun 09, 2011 3:26 pm
Posts: 38
Location: Dublin, Ireland
Right, here's what I've done. It works perfectly! 8) I didn' use an extra eyelet (would've been handy if I had one!) Changed Gain pot to 500k. A1M overloads the amp! fitted pot on front of amp with a black knob, looks angry! Massive amount of distortion available but can also do clean if the gain is dropped off. Different sound to parallel clean, less warmth but quite useful. Distortion gets a very convincing whole lotta love type sound right up to ACDC.
Wont get to crank it properly till tomorrow...... next REVERB!!!


Attachments:
cascade mod.jpg
cascade mod.jpg [ 480.69 KiB | Viewed 22158 times ]
IMG_0225.JPG
IMG_0225.JPG [ 1.76 MiB | Viewed 22158 times ]
Cascade closeup.JPG
Cascade closeup.JPG [ 1.68 MiB | Viewed 22158 times ]
Top
 Profile  
 
 Post subject: Re: Cascade mod
PostPosted: Tue Oct 18, 2011 5:35 pm 
Offline
Friend
Friend

Joined: Thu Jun 09, 2011 3:26 pm
Posts: 38
Location: Dublin, Ireland
Here's a shot of the extra pot. Thanks to kurtlives and Bobo for all your help. I couldn't have done it without you :D


Attachments:
Gain.JPG
Gain.JPG [ 707.25 KiB | Viewed 22158 times ]


Last edited by TubeFiend on Tue Oct 18, 2011 6:10 pm, edited 1 time in total.
Top
 Profile  
 
 Post subject: Re: Cascade mod
PostPosted: Tue Oct 18, 2011 6:03 pm 
Offline
Expert
Expert
User avatar

Joined: Sun Feb 17, 2008 4:47 pm
Posts: 960
Location: Toronto, Canada.
Very cool!

If you use a 1M pot and include the 680K resistor you will have no problems, o well!
There is lots you can do to adjust the tone of the cascade mode if you want.

_________________
http://pdfelectronics.com


Top
 Profile  
 
 Post subject: Re: Cascade mod
PostPosted: Tue Oct 18, 2011 6:13 pm 
Offline
Friend
Friend

Joined: Thu Jun 09, 2011 3:26 pm
Posts: 38
Location: Dublin, Ireland
Thanks, I was thinking of dropping the value of the 25uF cap on the cathode to 8 or maybe even 4, its got a bit too much bass. What about a switch to select different caps..... Ah fun and games!


Top
 Profile  
 
 Post subject: Re: Cascade mod
PostPosted: Tue Oct 18, 2011 6:58 pm 
Offline
Expert
Expert
User avatar

Joined: Sun Feb 17, 2008 4:47 pm
Posts: 960
Location: Toronto, Canada.
Is there too much bass or not enough highs?

Try making the 2.2nF cap 1nF.
As a test put another 2.2nF cap in parallel with the one already there. See if you like that.


Does the gain pot do anything when in parallel mode? Please check

_________________
http://pdfelectronics.com


Top
 Profile  
 
 Post subject: Re: Cascade mod
PostPosted: Tue Oct 18, 2011 7:23 pm 
Offline
Holy Ghost
Holy Ghost
User avatar

Joined: Sun Mar 13, 2005 4:10 pm
Posts: 7519
Location: Canada
Thanks for sharing this one. Very cool!

_________________
Stephen
Web: www.trinityamps.com. Facebook: facebook.com/trinityamps. Twitter: @trinityamps


Top
 Profile  
 
 Post subject: Re: Cascade mod
PostPosted: Fri Oct 21, 2011 9:19 pm 
Offline
Friend
Friend

Joined: Thu Jun 09, 2011 3:26 pm
Posts: 38
Location: Dublin, Ireland
kurtlives wrote:
Is there too much bass or not enough highs?

Try making the 2.2nF cap 1nF.
As a test put another 2.2nF cap in parallel with the one already there. See if you like that.


Does the gain pot do anything when in parallel mode? Please check


It does seem to be too much bass when the gain is up high, I had the bass set right down and the treble about 3/4 full and still thought there was too much bass! I'll try changing the 2.2nF first. Moving the gain pot has no effect in
parallel mode. Clean tone still sounds the same to me. I was expecting some slight drop in volume due to the pot, but nothing noticeable.


Top
 Profile  
 
 Post subject: Re: Cascade mod
PostPosted: Sat Oct 22, 2011 10:12 am 
Offline
Expert
Expert
User avatar

Joined: Sun Feb 17, 2008 4:47 pm
Posts: 960
Location: Toronto, Canada.
The pot should do nothing out of the circuit, parallel clean mode should sound the same as stock.

Change that 2.2nF cap to 1nF and see how that works.

_________________
http://pdfelectronics.com


Top
 Profile  
 
 Post subject: Re: Cascade mod
PostPosted: Mon Oct 24, 2011 8:18 pm 
Offline
Friend
Friend

Joined: Thu Jun 09, 2011 3:26 pm
Posts: 38
Location: Dublin, Ireland
[quote="kurtlives"]Is there too much bass or not enough highs?

Try making the 2.2nF cap 1nF.
As a test put another 2.2nF cap in parallel with the one already there. See if you like that.

Correct me if I'm wrong but I thought 2 x 2.2nF in parallel gives 4.4nF? Opposite to resistance.

Series : 1/CTotal = 1/C1 + 1/C2 + ....
Parallel: CTotal = C1 + C2 + ....

Anyway, I changed the 2.2nF for a 1nF. It definitely improved the tone, more sparkle. But I still found I was
setting the basscontrol very low all the time. Changed the 25uF for an 8uF Sprague Atom.
Now I tend to have the bass set about half way, control is much better.


Last edited by TubeFiend on Mon Oct 24, 2011 8:21 pm, edited 1 time in total.

Top
 Profile  
 
 Post subject: Re: Cascade mod
PostPosted: Mon Oct 24, 2011 8:19 pm 
Offline
Expert
Expert
User avatar

Joined: Sun Feb 17, 2008 4:47 pm
Posts: 960
Location: Toronto, Canada.
TubeFiend wrote:
kurtlives wrote:
Is there too much bass or not enough highs?

Try making the 2.2nF cap 1nF.
As a test put another 2.2nF cap in parallel with the one already there. See if you like that.

Correct me if I'm wrong but I thought 2 x 2.2nF in parallel gives 4.4nF? Opposite to resistance.

Series : 1/CTotal = 1/C1 + 1/C2 + ....
Parallel: CTotal = C1 + C2 + ....

Opps sorry your right. :shock: Brain is going nuts these days!

_________________
http://pdfelectronics.com


Top
 Profile  
 
 Post subject: Re: Cascade mod
PostPosted: Thu Nov 03, 2011 9:19 am 
Offline
Friend
Friend

Joined: Thu Jun 09, 2011 3:26 pm
Posts: 38
Location: Dublin, Ireland
Just one last addition, I had to add a 1M resistor in series with the 500K pot to stabilise the gain.


Top
 Profile  
 
Display posts from previous:  Sort by  
Post new topic Reply to topic  [ 20 posts ] 

All times are UTC - 5 hours [ DST ]


Who is online

Users browsing this forum: No registered users and 31 guests


You cannot post new topics in this forum
You cannot reply to topics in this forum
You cannot edit your posts in this forum
You cannot delete your posts in this forum
You cannot post attachments in this forum

Search for:
Jump to:  
Powered by phpBB® Forum Software © phpBB Group