trinityamps.com

Trinity Amps Guitar Amp Forum
It is currently Thu Oct 23, 2025 7:43 am

All times are UTC - 5 hours [ DST ]




Post new topic Reply to topic  [ 71 posts ]  Go to page Previous  1, 2, 3, 4
Author Message
 Post subject: Re: Tube down TC15 Build
PostPosted: Sun Aug 10, 2014 9:56 pm 
Offline
Holy Ghost
Holy Ghost
User avatar

Joined: Sun Mar 13, 2005 4:10 pm
Posts: 7519
Location: Canada
Great effort!! You could have used a cascode design as it pretty well emulates a pentode with less parts but this is a very interesting idea.
Thanks.

_________________
Stephen
Web: www.trinityamps.com. Facebook: facebook.com/trinityamps. Twitter: @trinityamps


Top
 Profile  
 
 Post subject: Re: Tube down TC15 Build
PostPosted: Wed Aug 13, 2014 12:39 am 
Offline
Friend
Friend

Joined: Thu Oct 25, 2012 8:50 pm
Posts: 46
Location: Enderby BC
Thanks. I really appreciate all the input.

There's always room to try cascode in the future since it would be less parts and a cleaner layout than what I did for sure. I got all the drawings.

Really I couldn't decide on a cascode design and went on a different tangent instead. I felt pretty comfortable cascading the 12ax7 would give me the drive I was looking for too.

I love the black turretboard for the options. Much cleaner for modifying than regular board. I've thrown a lot of plastic away experimenting before!


Top
 Profile  
 
 Post subject: Re: Tube down TC15 Build
PostPosted: Wed Aug 13, 2014 7:50 pm 
Offline
Holy Ghost
Holy Ghost
User avatar

Joined: Sun Mar 13, 2005 4:10 pm
Posts: 7519
Location: Canada
Here's a cascode design to try.


Attachments:
TC15 cascode.jpg
TC15 cascode.jpg [ 31.15 KiB | Viewed 18374 times ]

_________________
Stephen
Web: www.trinityamps.com. Facebook: facebook.com/trinityamps. Twitter: @trinityamps
Top
 Profile  
 
 Post subject: Re: Tube down TC15 Build
PostPosted: Thu Aug 14, 2014 5:38 pm 
Offline
Expert
Expert
User avatar

Joined: Sun Feb 17, 2008 4:47 pm
Posts: 960
Location: Toronto, Canada.
Cool idea, nice execution.

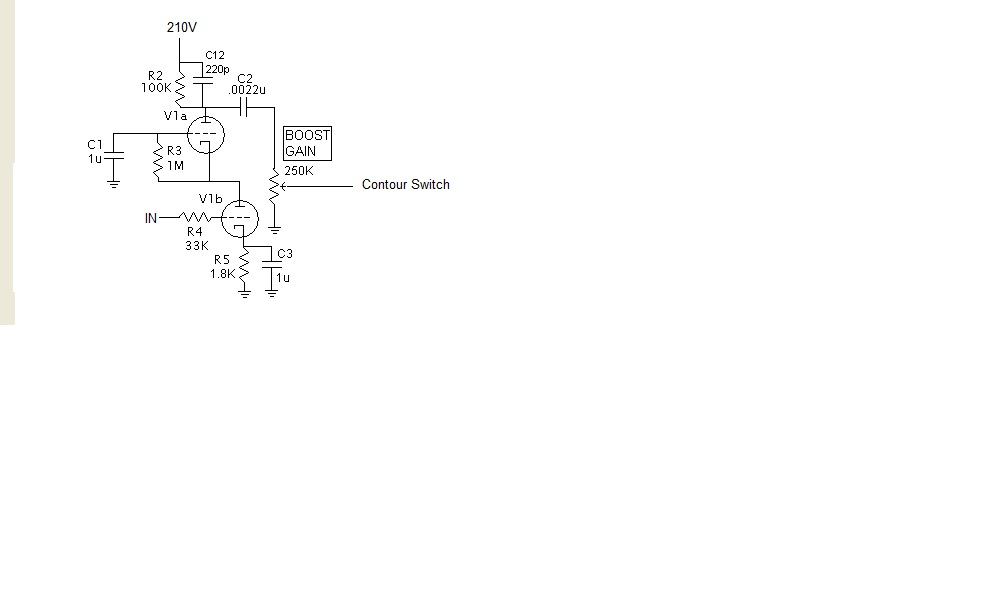
I did a similar thing when I built my TC-15, you might be interested. Instead of "taking over" the EF86 channel I devised a clever switching scheme for the parallel 12AX7 channel. Check it out viewtopic.php?f=1&t=2123

This is the schematic for the cascade
Image

You can see the amp can either be 100% stock or set so the two triodes cascade (lots of gain). No cascode though, that would be cool!

_________________
http://pdfelectronics.com


Top
 Profile  
 
 Post subject: Re: Tube down TC15 Build
PostPosted: Fri Aug 15, 2014 10:45 pm 
Offline
Friend
Friend

Joined: Thu Oct 25, 2012 8:50 pm
Posts: 46
Location: Enderby BC
I knew I'd seen that idea somewhere! Thanks for showing me. Choosing what to do in between the triode halves caused me lots of head scratching.

Did the plate resistor bypass cap for the second half give any advantage over just bumping the resister up to a higher value (100K vs 220K) or am I missing some simple piece of amp builder knowledge?

If it wasn't for the fact that I was getting the rattle out of the EF86 when I was playing CH 2 I might have played more with CH 2. I thought I was being tricky just putting the 'boost' on a push/pull pot on the volume! It sucked having to turn the CH 1 volume down when I wasn't using it to keep the noise out.

I'm saving the EF86 collection I have for a different project and I do miss its magic somewhat. I have an on off footswitch on my board I use for my bass loop switch and all it would take is some relays to put your idea into action...

I think what you've done would be a great option if Stephen starts up the single channel amp options that people seem to be looking for!

I'll post my cascode layouts and schematic mockups once I make sure that they are accurate just in case someone is interested. I may still try it so I've put genuine effort into them.

I wasn't quite sure if it was gain or the EF86 tone I was looking for so I decided to go the gain route first. Sooner or later, you have to choose something to try!


Top
 Profile  
 
 Post subject: Re: Tube down TC15 Build
PostPosted: Fri Aug 15, 2014 11:05 pm 
Offline
Expert
Expert
User avatar

Joined: Sun Feb 17, 2008 4:47 pm
Posts: 960
Location: Toronto, Canada.
Cap bypassing the second plate resistor cuts highs. The plate resistor value is more of a gain controlling parameter.

Try the EF86 in the second (or later) stage of an amp/design. They are a lot less susceptible to noise then.

_________________
http://pdfelectronics.com


Top
 Profile  
 
 Post subject: Re: Tube down TC15 Build
PostPosted: Sat Aug 16, 2014 1:49 am 
Offline
Friend
Friend

Joined: Thu Oct 25, 2012 8:50 pm
Posts: 46
Location: Enderby BC
Thanks kurtlives for explaining that. I never looked at it that way as I'm used to using hi/lo filtering after the fact or at the cathode end.

I've looked at doing a Clubman type idea in an EL84 format as an EF86 project as it uses the EF86 after the first stage. Its in the paper stage and I have actually been banging away at it since before my TC15 and is kind of how I ended up at the TC15. I just need to work out the power supply and decide on the tone stack. Need to get some more iron.


Top
 Profile  
 
 Post subject: Re: Tube down TC15 Build
PostPosted: Sat Aug 16, 2014 11:07 pm 
Offline
Friend
Friend

Joined: Thu Oct 25, 2012 8:50 pm
Posts: 46
Location: Enderby BC
Had a scare there. I was jamming away on my amp at volume finally today and there it was. The persistent rattle from Channel 1 bleeding through again. Couldn't believe it!

Swapped out the PI tube out of desperation but made no difference. Exact same issue.

Jammed that tube into V1 and issue went away. Just got a bad Tung-Sol reissue. Put the other Tung-Sol I got at the same time in and works great. I'll send the first one back.

I can dial up the gain on the back of the amp to what I want for grind and use the volume to set the level I want to switch to. To push it a bit harder I hit my booster (which is set to about the level of using the HI input cuz I use the LOs) and it gives me the option I was looking for. I don't have to adjust the tone on the guitar as much when I switch to it as I can use the contour tone to trim off the bottom.

Channel has plenty of gain. I might change the Volume pot to a 500K just to see but so far so good!


Top
 Profile  
 
 Post subject: Re: Tube down TC15 Build
PostPosted: Tue Dec 30, 2014 10:43 pm 
Offline
Friend
Friend

Joined: Thu Oct 25, 2012 8:50 pm
Posts: 46
Location: Enderby BC
Final results to date...

The cascade setup I had worked OK and was really midrangey but was pretty noisy and was quite a bit louder so hard to balance volumes between channels. The Cut control was necessary to tame it and then my Cut would not be right for the Top Boost Channel. Still it was fun to try. Leaving it plumbed into the PI the same as the EF86 also taught me a lesson in phasing! Channel 1 was out of phase so when I combined both channels the oomph went out of the amp. Instead of playing with buffer resistors and hacking into the voltage divider of the Top Boost channel that was fine the way it was I decided to move on.

I tried both Cascode styles and didn't fall in love with either one at least in this amp. I don't think the 12ax7 is suited for this anyways and I couldn't get them 'tuned' right. Not bad sounding, just not right.

Of course as things often are, simpler was better. I just put a 12ax7 in parallel, pulled out the fancy contour control (which I think I resisted cuz it was so much work to make and I thought it was cool), and installed a 1 meg tone pot with a cap to ground and voila. Its a Spitfire channel! It works well, gives me a channel with some headroom and the volume balance between the channels is almost bang on. The tone works pretty good and is very low loss. Takes pedals well too!

Having two similar but different channels works for me and both channels are 'Matchless' style which are tried and proven successful amps (Spitfire and Lightning).

I removed the VRM circuit as it worked well but found that I was using the Master volume anyways and works fine without it.

I have to say the amp layout and black turretboard made most of these mods and changes possible and much easier than it could have been. Kudos to Trinity for making a product that can be more than paint by numbers for guys like me that can't leave well enough alone!

Physically the only changes I would make are to switch the volume and tone control around in the right order and have the contour labelled tone but that would be easy as I have a custom made faceplate.

I built a matching 2x12 extension cab as well and I think I'm finally content with what I have. What a great amp and I still get good feedback from others.

Time for another project...B15 looks really promising Stephen!


Top
 Profile  
 
 Post subject: Re: Tube down TC15 Build
PostPosted: Sat Jan 03, 2015 8:23 am 
Offline
Holy Ghost
Holy Ghost
User avatar

Joined: Sun Mar 13, 2005 4:10 pm
Posts: 7519
Location: Canada
Thanks for the recap of your project. always good to get feedback.
The B15/Trip Top is going ahead and we are taking pre-orders fot it. Its a heavy duty amp for sure !

_________________
Stephen
Web: www.trinityamps.com. Facebook: facebook.com/trinityamps. Twitter: @trinityamps


Top
 Profile  
 
 Post subject: Re: Tube down TC15 Build
PostPosted: Sun Oct 27, 2019 10:49 pm 
Offline

Joined: Sat Dec 29, 2018 3:35 pm
Posts: 6
Location: Vernon B.C.
After almost 7 years since I built this amp I have been using it for playing out again and thought I'd pass on my thoughts.
What a great amp. It performs well and still has the magic.
After some years of moving around and storage etc. I found myself an opportunity to play again and out she came.

I did finally open it up to deal with the microphonic channel 1 EF86 and did a simple 12AX7 cascode just to see if I could use channel again and here is a picture of what I did.
Attachment:
TC15 CH1_Cascode2.png
TC15 CH1_Cascode2.png [ 21.19 KiB | Viewed 12838 times ]

It works well enough to replace the issue I had and gave me the functionality I was missing. Tried a few 12ax7's and found the Tung-Sol worked the best for what its worth. I did have to up the resistor value in the VRM to use at lower volumes as it starved the channel for voltage but for playing out I use the bypass switch I installed on the VRM usually anyways and just adjust the Master Volume which, although a little finicky, works well enough.

Had it out against a friends AC30 (with greenbacks) and with my full AC30 sized ext cab plugged in we agreed mine sounded a litter tighter and crisper without the harshness. The WGS (Reaper/Green Beret) H30/Greenback combo may have helped but all's fair right?

Still an incredible amp after all this time. Highly recommend Trinity Amp products to anyone who wants a great amp! Still love it!


Top
 Profile  
 
Display posts from previous:  Sort by  
Post new topic Reply to topic  [ 71 posts ]  Go to page Previous  1, 2, 3, 4

All times are UTC - 5 hours [ DST ]


Who is online

Users browsing this forum: No registered users and 41 guests


You cannot post new topics in this forum
You cannot reply to topics in this forum
You cannot edit your posts in this forum
You cannot delete your posts in this forum
You cannot post attachments in this forum

Search for:
Jump to:  
cron
Powered by phpBB® Forum Software © phpBB Group