trinityamps.com

Trinity Amps Guitar Amp Forum
It is currently Sat Jan 17, 2026 10:40 pm

All times are UTC - 5 hours [ DST ]




Post new topic Reply to topic  [ 37 posts ]  Go to page Previous  1, 2
Author Message
PostPosted: Fri May 15, 2020 12:42 am 
Offline
Expert
Expert

Joined: Sat Dec 04, 2010 3:42 pm
Posts: 519
Location: Qualicum Beach, BC
The 52.4K resistor is OK. It might help if matched the other 56K in the phase inverter, but it's close enough for a tube guitar amp.

Signal wires are also those running to the tone controls, and anything running to the grid on a tube.

The pine cabinet is starting to look good. Great way to use some old shelving.


Top
 Profile  
 
PostPosted: Fri May 15, 2020 10:31 am 
Offline
Friend
Friend

Joined: Tue May 05, 2020 12:59 pm
Posts: 24
Wow, thanks for the fast and complete replies !

I've checked the link Han. That's perfect. It's all what I needed. The coax cable is now done and one side soldered on the normal volume control as pictured (I'm very visual and reading the text, I now understand what it meant... sorry :)

I'm going to skip the optionnal 470K since I don't know what it exactly change on the sound.


For the rest I think I'm all good. My next questions will certainly be related to the final testing.


Top
 Profile  
 
PostPosted: Fri May 22, 2020 11:41 pm 
Offline
Friend
Friend

Joined: Tue May 05, 2020 12:59 pm
Posts: 24
Ok, I've put it aside for a while but finished the build this evening.

I'll do more checks tomorrow but I think it will be ok. I've checked connectivity with my multimeter after each soldering. I've tried to keep wires close to the chassis when possible and keep them away as far as possible from the heater wires. I've put the coax cable is under the eyelets board. Since it has also to be close to the chassis I thought it would make sense. I've taped to it. I was also finally able to twist the yellow wires together from the power transformer, same for the reds. They are tied but I think it's overall better now. I've tried to have an overall neat build and soldering ( and to be able to desolder if necessary).
Oh and yes... I put the screw from the outside to install the board (on purpose, I prefer this way). I'll get 4 nuts tomorrow.

I haven't install the VRM. Maybe later.



Few questions about the final tests...


Point 1, "With no rectifier in place" :
- it's without any tube, isn't it ?
- Rectifier is the V5, right ?


Point 6, install the rectifier (...)
"(...) Check the plate voltages on the tube sockets", ok... can someone explain precisely what I'm supposed to do and check here ? That's would be very appreciated ! I understand I should have something like 400 volts DC as result/measurement but I don't know how I'm supposed to get that result (it's the only check for this step btw ?). I'll google B+ tomorrow since I've seen it at different place but still don't know what it is.


Point 8, "Measure the DC voltages from tube pin to chassis ground and compare to voltage chart"
What the use of the table at the point 8 ? I guess there's a reason why it's shown here. This table doesn't fit with the voltage chart... I'll stick with the voltage chart which is straightforward but the table at the point 8... (???)
(+ in the table there's 4+5 for the V1 and V2 in the Heater column. I'm not sure how to interpret this)


Thanks a lot !!


In the meantime here are some pictures of where I am now.


Attachment:
fini_01.jpg
fini_01.jpg [ 369.35 KiB | Viewed 19653 times ]
Attachment:
fini_02.jpg
fini_02.jpg [ 337.56 KiB | Viewed 19653 times ]
Attachment:
fini_03.jpg
fini_03.jpg [ 330.16 KiB | Viewed 19653 times ]
Attachment:
fini_04.jpg
fini_04.jpg [ 365.71 KiB | Viewed 19653 times ]
Attachment:
fini_05.jpg
fini_05.jpg [ 359.16 KiB | Viewed 19653 times ]
Attachment:
fini_06.jpg
fini_06.jpg [ 346.86 KiB | Viewed 19653 times ]
Attachment:
fini_07.jpg
fini_07.jpg [ 324.99 KiB | Viewed 19653 times ]
Attachment:
fini_08.jpg
fini_08.jpg [ 362.26 KiB | Viewed 19653 times ]
Attachment:
fini_09.jpg
fini_09.jpg [ 346.86 KiB | Viewed 19653 times ]
Attachment:
fini_11.jpg
fini_11.jpg [ 348.02 KiB | Viewed 19653 times ]
Attachment:
fini_12.jpg
fini_12.jpg [ 337.67 KiB | Viewed 19653 times ]
Attachment:
fini_13.jpg
fini_13.jpg [ 357.98 KiB | Viewed 19653 times ]
Attachment:
fini_14.jpg
fini_14.jpg [ 323.3 KiB | Viewed 19653 times ]
Attachment:
fini_15.jpg
fini_15.jpg [ 365.47 KiB | Viewed 19653 times ]


Top
 Profile  
 
PostPosted: Sat May 23, 2020 2:46 am 
Offline
Expert
Expert

Joined: Sat Dec 04, 2010 3:42 pm
Posts: 519
Location: Qualicum Beach, BC
Thanks for the pictures. The build looks good. Nice and neat. Looks like the amp should work well. The only thing I noticed that could be improved is using more solder on some of the eyelets on the board. I like to see them completely filled to make sure the connections are good.

Point 1, "With no rectifier in place" :
- it's without any tube, isn't it?
Yes.

- Rectifier is the V5, right?
Yes.

Point 6, install the rectifier (...)
"(...) Check the plate voltages on the tube sockets", ok... can someone explain precisely what I'm supposed to do and check here? That would be very appreciated! I understand I should have something like 400 volts DC as result/measurement but I don't know how I'm supposed to get that result (it's the only check for this step btw ?). I'll google B+ tomorrow since I've seen it at different places but still don't know what it is.

This means with no tubes in the amp except for the rectifier, measure the voltage at the plate pins on the tube sockets. Plate is another term for the anode on a tube. The plates are pins 1 and 6 on the 12AX7s and pin 3 on the 6V6s. But if they aren't installed, there will be no load to drop the voltage so you should see pretty much the same DC voltage that's coming out of the rectifier. This is the B+ and it should be around 400 volts. Measure it carefully with the meter's negative probe clipped to the chassis and the positive probe on each plate pin. This is all you have to do in this step.

B+ is an old term that used to refer to the positive voltage coming from a battery. But when it's used with a tube circuit it means the DC high voltage coming from the power supply, usually before any resistors drop it down for the various tubes.

Point 8, "Measure the DC voltages from tube pin to chassis ground and compare to voltage chart"
What's the use of the table at point 8 ? I guess there's a reason why it's shown here. This table doesn't fit with the voltage chart... I'll stick with the voltage chart which is straightforward but the table at point 8... (???)
(+ in the table there's 4+5 for the V1 and V2 in the Heater column. I'm not sure how to interpret this)

The table just shows the pins and their names for the various tubes. These are the pins that you should check for the voltage measurements. The table doesn't give the expected voltages, though. Use the voltage chart to find that.

For example, V1 is a 12AX7. Its plates are pins 1 and 6. Its cathodes are pins 3 and 8. Its heaters are pin 9 and pins 4+5 tied together.
V3 is a 6V6. Its plate is pin 3. Its cathode is pin 8. Its heater is pins 2 and 7.

The schematic drawing shows all this too.


Last edited by mitch m on Tue May 26, 2020 9:25 pm, edited 1 time in total.

Top
 Profile  
 
PostPosted: Sat May 23, 2020 9:12 am 
Offline
Friend
Friend

Joined: Tue May 05, 2020 12:59 pm
Posts: 24
Thanks a lot for your time and patience Mitch. I'm all good now for this evening !

I'll add more solder on few spots on the board as you say (I like/try to think in advance and I was concerned about futur service. I didn't want to put too much to get more easily removed in case pieces need to be changed :) But of course, main and first concern is to get a proper/durable connection ! I'll do it !

About the table at the point 8, I can't believe I didn't pay attention it was a summary of the location of plate/cathode/heater pins. I think I was too much focused on measurements at that time. It's obvious but not enough for me apparently.. ahah.


Alright, so I'll do the test this evening. In good conditions, without my son around for example.. :)

Thanks again !


Top
 Profile  
 
PostPosted: Sun May 24, 2020 12:34 am 
Offline
Friend
Friend

Joined: Tue May 05, 2020 12:59 pm
Posts: 24
Hi, I've done the measurements. Here are the result :

Attachment:
fini_mesures_01.jpg
fini_mesures_01.jpg [ 303.09 KiB | Viewed 19646 times ]



As you can see,
- pin 6 of V1 and V2 // pin1 of V2 are smaller than expected
- Pin 8 of V1 is slighty above than expected
- pin 7 of V2 is way off with 2.9 instead of 17


About the sound, the amp plays but it doesn't sound as it should. The interaction between both volume control is weird (increasing hiss when turn the pots but it may not be the right term here..). But anyhow I'll write another time about that. Need to sleep now.


Any comment about the measures would be appreciated Thanks !



Also, I was wondering about the 22K resistor. I've seen it on every build it's a bigger one in size, like the 4K7 just besides. Mine is blue body and smaller, I guess it cannot cause any issue.. They are only two different kind, bothe metal film and doing the same job, right ? it's supposed to be 2W but I was only able to confirm the value of the resistor.

Attachment:
23resistor22k.jpg
23resistor22k.jpg [ 344.37 KiB | Viewed 19646 times ]


Top
 Profile  
 
PostPosted: Tue May 26, 2020 9:23 pm 
Offline
Expert
Expert

Joined: Sat Dec 04, 2010 3:42 pm
Posts: 519
Location: Qualicum Beach, BC
The volume controls do interact. That's normal on 5E3 amps, even the originals.

But if the sound isn't right, check all your connections, looking for bad solder joints. Also make sure all the parts and wires are in the right places. Looks like they are in the photos, but it wouldn't hurt to check again.

As I said earlier, the eyelets on the board should be full of solder to make sure the connections are good. It's easy to take a component out of an eyelet later for maintenance or modifications, even if the eyelet is full.

The 22K resistor looks OK. The one in my Tweed amp looks the same. Sometimes it's hard to tell if a resistor is 1-watt or 2-watt.


Top
 Profile  
 
PostPosted: Sun May 31, 2020 7:05 pm 
Offline
Friend
Friend

Joined: Tue May 05, 2020 12:59 pm
Posts: 24
Hi Mitch, thanks for the answer. I took some time to work on the cabinet in the meantime. It's not finished but at least I've been able to play the amp in the cabinet. Not the final speaker (I've installed one of the two in my Bandmaster reverb, a C12N, 8 ohms). I have also read some stuff https://robrobinette.com/How_The_5E3_Deluxe_Works.htm and https://robrobinette.com/How_Amps_Work.htm among others. I'm far from being an expert now but at least few thing make more sense. I should have definitely read that before the build !


Installing the chassis in the cabinet helped I'd say (+ moved/played it in a room with much less electric devices). There's absolutely no hum. I do like the sound but the interaction is a still a little weird I'd say. I'll redo some stuff just to make sure. I'll make a short video later to explain but for example, I don't hear the -6db between the Hi and Lo from the normal channel. For me they are at the same level (on the bright, no pb, the -6db is clearly audible). Also, when plugged on the bright channel, when the volume of the normal channel is between 10 to 12 it decreases the volume (no change if I dial between 1 to 10 on an other hand..). But that's examples. It may be as it supposed to, I've never player on a Tweed before.. I don't know...


I'll install the VRM later for sure. I don't have access to the great gain/distortion since the amp is way too loud when these sounds are reached. For now the sound really hurts my hears (really) if above a certain volume (I've never exeprienced this with other amp and my vintage Bandmaster). I'll see what happend with the right speaker (certainly a W.eber).


So, here are some pictures of the amp/cabinet so far. I still need to order a grill cloth, an handle etc. (+ shape the two pieces of wood in the back).
I love wood in every aspect so I won't put the traditionnal tweed fabric on it. I'll just put few layers of (dark/brown) shellac as base coat. Maybe I'll french polish it as I do for the acoustics I build (even if it's absolutely not the best/suitable finish for a cabinet). Btw, that's the last Telecaster I've 100% built for a friend. The maple top is gorgeous !

Attachment:
cabinet_02.jpg
cabinet_02.jpg [ 376.21 KiB | Viewed 19610 times ]
Attachment:
cabinet_03.jpg
cabinet_03.jpg [ 350.22 KiB | Viewed 19610 times ]
Attachment:
cabinet_04.jpg
cabinet_04.jpg [ 336.77 KiB | Viewed 19610 times ]
Attachment:
cabinet_01.jpg
cabinet_01.jpg [ 335.24 KiB | Viewed 19610 times ]


Last edited by Julien on Sun May 31, 2020 7:57 pm, edited 1 time in total.

Top
 Profile  
 
PostPosted: Sun May 31, 2020 7:56 pm 
Offline
Experienced
Experienced

Joined: Wed Sep 12, 2018 5:17 pm
Posts: 374
Location: Shawnee, OK
Cabinet looks great, are you planning to ease (round over) the corners? Also, are you going to put some cutouts in the top rear panel? Tubes need air. One of these days I'm planning on making a genuine slant front 5E3 combo cab, courtesy of Modulus Amps in UK. He has some nice downloads at the bottom of the page on his site (Imperial/metric and box/butt joint options in the plans). And the quilted maple on the Tele is gorgeous.

It looks like you appreciate good wood, found these in grandfathers garage, were shelves in white painted storage cabinet. Ran them though the planer and found what I think is long leaf Southern yellow pine. Can't use in a cabinet, though, it's really dense (read as HEAVY!) and someone would probably hurt themselves trying to lift it.


Attachments:
DSCN1571.JPG
DSCN1571.JPG [ 3.38 MiB | Viewed 19609 times ]

_________________
"The only problem with being retired is you never get a day off"
Top
 Profile  
 
PostPosted: Sun May 31, 2020 8:22 pm 
Offline
Friend
Friend

Joined: Tue May 05, 2020 12:59 pm
Posts: 24
Thanks! About "rounding" the corners, just a little. I'll definitely won't use the traditional/suggested radius. I'll round the edges at the same radius as the Telecaster I think. I want to keep it that way.
Yep, I wrote that in my comment before, the cabinet is not finished yet. I'll shape the rears panels soon for sure... :)

Modulus, yep, that's the plan I've used :) It may not quite well visible on the pics but it's slanted, 8.5 at the top and 9.5 at the bottom. If I remember well the fingerjoin were supposed to be 0.5 but I did them at 0.25 (they will last forever !)

Too bad if it's too dense/heavy for the yellow pine. Higher density would mean less vibrations and then decreases the low frequencies I suppose. Matter of taste.. What I like with pine is that it's so light ! Now when I see the solid pine shelves in my house, I see amp cabinet.. No choice, since I have all these raw materials at home I will have to do others builds in the future, it's too late now... ahah ! (I think I'll do a Blackvibe from Robinette and since I've been hesitating with a Tramp, maybe a Tramp. Low wattage for sure for the last one..)


Top
 Profile  
 
PostPosted: Sat Jun 06, 2020 2:02 pm 
Offline
Expert
Expert

Joined: Sat Dec 04, 2010 3:42 pm
Posts: 519
Location: Qualicum Beach, BC
The cabinet is looking good. It should look great with slightly rounded corners and a french polished finish.
That's a beautiful Tele you made too!

Yes, Rob Robinette has lots of great information on his websites. You can learn a lot there.


Top
 Profile  
 
PostPosted: Tue Jun 16, 2020 11:56 pm 
Offline
Friend
Friend

Joined: Tue May 05, 2020 12:59 pm
Posts: 24
Hi ! Here's my Tweed so far (pictures below // not french polished yet) with my homemade Telecaster (this one is mine). I still haven't received the speaker from W.eber (I don't think it has even been shipped yet). So I expect to hear some tonal differences as soon as it will be installed...


I really like how the amp react. It's so sensitive acccording to the attack (fingerstyle only here). I love it. Very organic ! I've made some tubes rolling with differents combinaison of tubes I have at home 12AU7/12AT7/12AX7 and it's very enjoyable/interesting to switch between them (I made the test but wasn't sure if it was safe for the amp so didn't tried it for a long time.. Are 12AX7 on both V1 and V2 OK if I want to play sometimes with both installed ?)


I'll then tweak the tone a little to experiment. I understand it's ineherent to the 5E3 but I find the sound procuded is overall too "dark" or "muddy" (I can't find the right word) to my taste/hears and I will want to get ride of few frequencies. Some tone/volume configuration are just not usable and it limits the use I think.


So when I'll got the new speaker I plan to :
- change few resistors to metal film one (got some unwanted hiss on few volume/tone configuration which limit the recording usability). Btw are 1/2 watts enough as remplacement for all resistors when the wattage is not specified ?
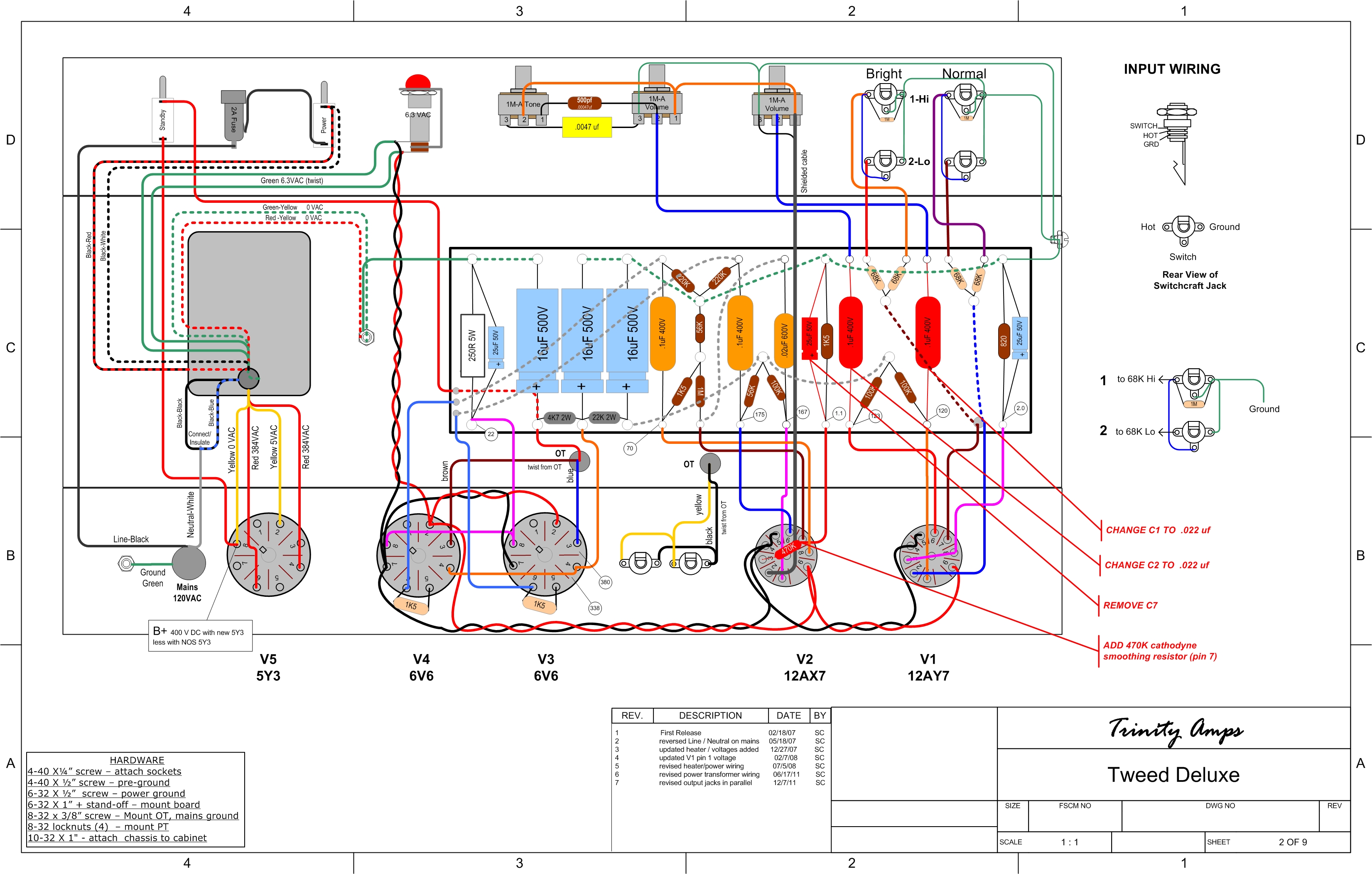
- replace first two coupling caps to .022uF (+maybe hte 2 others changes listed here download/file.php?id=695&mode=view // Thread : viewtopic.php?f=11&t=2841)
- install a simple 10% power switch or the VRM (not sure yet, I'm not sure if the PCB connexion are still ok with the stupid installation mistake I made... arffff)


Even if it's a long learning curve and there are millions of things I don't understand, it's very enjoyable to make up the sound we play/use. I have the feeling it makes us "better" musicians...

I'll write a followup when the W.eber speaker will be installed.. I'll also make/post videos... :)

Attachment:
5E3_01 et Tele.jpg
5E3_01 et Tele.jpg [ 453.59 KiB | Viewed 19545 times ]
Attachment:
5E3_02.jpg
5E3_02.jpg [ 444.75 KiB | Viewed 19545 times ]


Top
 Profile  
 
PostPosted: Wed Jun 17, 2020 1:35 pm 
Offline
Experienced
Experienced

Joined: Wed Sep 12, 2018 5:17 pm
Posts: 374
Location: Shawnee, OK
Julien, have you tried jumpering the channels yet? Like jumper from Normal-Hi to Bright-Low and plug guitar in at either Normal-Low or Bright-Hi. And any variation thereof.

_________________
"The only problem with being retired is you never get a day off"


Top
 Profile  
 
PostPosted: Wed Jun 17, 2020 4:24 pm 
Offline
Friend
Friend

Joined: Tue May 05, 2020 12:59 pm
Posts: 24
No I hadn't yet..

Just did as you said and.... wow! Gain/distortion has been stepped up ! It's like putting a 12AX7 in V1 (maybe even more...). Tone remains similar.
Thansk for the tip Han ! :)

W.eber speaker has been shipped. I'll be able to compare soon ! :)


Top
 Profile  
 
PostPosted: Fri Jun 19, 2020 11:31 am 
Offline
Expert
Expert

Joined: Sat Dec 04, 2010 3:42 pm
Posts: 519
Location: Qualicum Beach, BC
Your Telecaster looks great!

It will be interesting to try the mods you listed. Half watt resistors should be fine for the ones where wattage isn't specified. You can calculate the power dissipated by a resistor by measuring the voltage drop across it and using the formula V squared / R. I like to use resistors at least double the calculated wattage so they run cool and provide more safety margin.

12AX7s can be used in V1 and V2. All tubes from the 12A_7 family are interchangeable. They all have the same pinout, just different gain.


Top
 Profile  
 
PostPosted: Mon Jul 20, 2020 12:14 pm 
Offline
Friend
Friend

Joined: Tue May 05, 2020 12:59 pm
Posts: 24
Hi ! I have to say [b]the more I play with the amp the more I'm in love with it... [/b] :D [u]Thanks all for the help and Trinity for the kit ![/u]

I have received/installed the W.eber [b]speaker[/b] for a while now. That - was - a - big - (big) - change. The volume has decreased a lot, it's more enjoyable. The amp is dead quiet -except when the tone/volume control are between 10 to 12 which is quite normal-. So, it's just great...

Also, I've finally replaced the [b]coupling caps[/b] to put two 0.02uf. But honestly, I don't hear a huge difference and I could have lived with the 0.1uf just fine.

As soon I record some music or takes video I'll post the links.

Have a good day/summer !


Top
 Profile  
 
PostPosted: Mon Jul 20, 2020 12:15 pm 
Offline
Friend
Friend

Joined: Tue May 05, 2020 12:59 pm
Posts: 24
Hi ! I have to say the more I play with the amp the more I'm in love with it... :D
Thanks all for the help and Trinity for the kit !


I have received/installed the W.eber speaker for a while now. That - was - a - big - (big) - change. The volume has decreased a lot, it's more enjoyable. The amp is dead quiet -except when the tone/volume control are between 10 to 12 which is quite normal-. So, it's just great...

Also, I've finally replaced the coupling caps to put two 0.02uf. But honestly, I don't hear a huge difference and I could have lived with the 0.1uf just fine.


As soon I record some music or takes video I'll post the links.


Have a good day/summer !


Top
 Profile  
 
Display posts from previous:  Sort by  
Post new topic Reply to topic  [ 37 posts ]  Go to page Previous  1, 2

All times are UTC - 5 hours [ DST ]


Who is online

Users browsing this forum: No registered users and 15 guests


You cannot post new topics in this forum
You cannot reply to topics in this forum
You cannot edit your posts in this forum
You cannot delete your posts in this forum
You cannot post attachments in this forum

Search for:
Jump to:  
Powered by phpBB® Forum Software © phpBB Group